什么是二次供水和二次供水设施
当民用与工业建筑生活饮用水对水压、水量的要求超过城镇公共供水或自建设施供水管网能力时,通过储存、加压等设施经管道供给用户或自用的供水方式,称为二次供水。

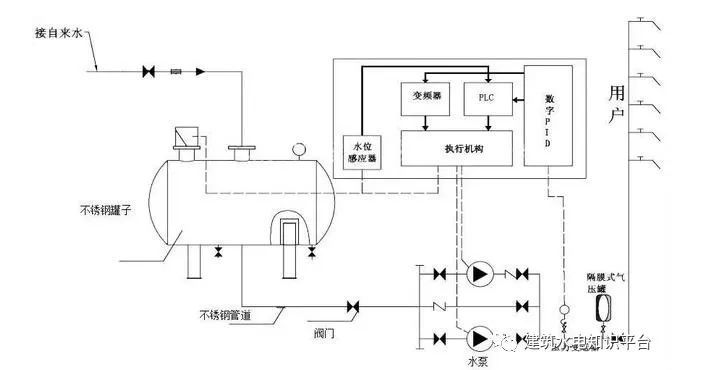
为二次供水设置的泵房、水池(箱)、水泵、阀门、电控装置、消毒设备、压力水容器、供水管道等设施,称为二次供水设施。
也可以说,供水企业市政管网供水,在到达用户终端之前,经过用户所在小区储水、加压、净水设施,再供到用户水龙头的环节方式,就称为二次供水。公共储水、加压设备,净水、消毒设施等,都属于二次供水设施。
为什么高层用户需要设置二次加压设施

根据建设部规定城市供水管网服务水压一般可供到5-6层楼,通常六楼以上的供水属二次供水的范畴。因此,市政供水管道水压不能满足用户使用要求时,高层用户必须增加二次供水设施。
目前造成二次供水安全隐患的原因是什么

1
二次供水设施建设不规范,监管困难,存在随意性。开发商或建筑商在二次供水设施建设过程中从选址、设计、施工到设施选材选型技术标准不一,忽略卫生和环保标准的要求,从而埋下诸多隐患。
2
高层住宅二次供水设施使用和管理体制不规范。开发商建成后大多移交物业企业负责管理,庭院管网资料不详,供水企业只负责计量水表的管理,这种分割管理的体制,导致运行中责任不清晰、服务不及时。
3
个别二次加压供水存在水质污染现象。部分物业企业由于管理不专业、不到位,一些高层住宅二次供水设施建设标准较低或年久老化、水箱(池)未及时清洗消毒等原因,容易造成二次污染现象。
怎样才能保障二次供水水质安全

二次供水的管理工作十分重要,物业公司、使用单位要高度重视,定期按照国家规定对二次供水设施、设备进行清洗、消毒,同时还要对二次供水水质定期监测、送检,以确保居民真正用上干净、卫生、安全的自来水。