解释:是将建筑物或建筑群内的电力、照明、空调、给排水、消防、运输、保安、车库管理设备或系统,以集中监视、控制和管理为目的而构成的综合系统。楼宇自动化系统通过对建筑(群)的各种设备实施综合自动化监控与管理,为业主和用户提供安全、舒适、便捷高效的工作与生活环境,并使整个系统和其中的各种涉别处在最佳的工作状态,从而保证系统运行的经济性和管理的现代化、信息化和智能化。
BAS常用图例符号:

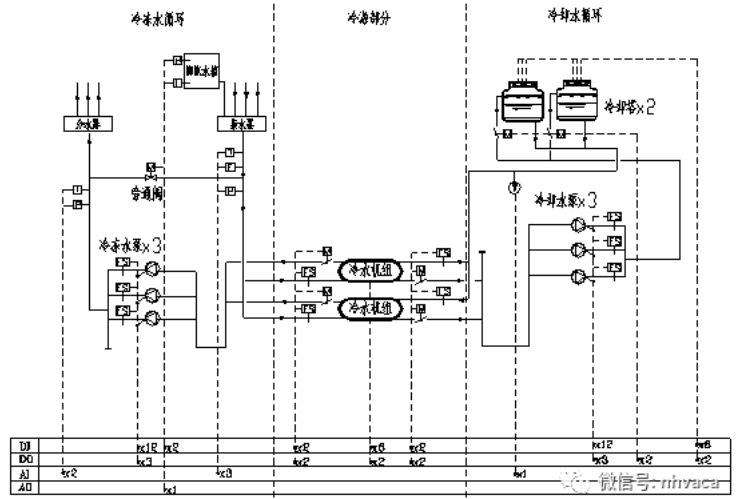
冷热源系统:
冷源设备包括冷水机组、冷却塔、热泵、水泵等。主要为建筑物空调系统提供冷量。
热源设备包括锅炉机组或热泵机组等,除为建筑物空调系统供热外,还包括生活热水系统。

民用建筑中,冷水机组的监控一般由自带控制器完成,BA系统通过通讯接口或干节点方式监控以下内容:
冷水机组启/停控制及状态监视;
冷水机组故障报警监视;
冷水机组的手/自动控制状态监视;
冷水机组进出水温度、流量或水流状态等(这些监控也可由BA系统安装传感器自行完成)
工程中具体获取那些数据需与厂商进行协调。
除对冷水机组本身的控制外。楼宇自控系统还要对各冷水机组的冷冻水、冷却水进水阀进行控制,还根据需要测量冷冻水、冷却水进/回水的温度、流量等参数。