1.桥位地形、地物、地质及水文资料图,用来表示桥梁位置及周边关系的图纸。
桥位平面图、桥位地质断面图。
2.桥梁总体布置图,表示桥梁整体形状、大小、结构的图纸。
立面图、侧立面图。
3.桥梁的上部、下部构造和配筋图,表示细部构造的图纸。
详图、构件结构图。
4.设计说明,表示施工上要求的图纸。
一、识读桥梁工程图

图11-1 桥梁各组成部分示意图
桥梁通常由上部结构(主梁或主拱圈和桥面系)、下部结构(桥墩、桥台和基础)及附属结构(栏杆、灯柱、护岸、导流结构等)三部分组成。如图11-2所示。

图11-2 桥梁的基本组成

图11-3 桥梁上部结构概貌

图11-4 桥梁下部结构的桥墩与桥台 (a)桥墩;(b)桥台

图11-5 桥梁的截面形式 (a)装配式T形梁;(b)箱梁桥横截面
(一)桥位平面图
桥位平面图是通过地形测量绘出桥位处的道路、河流、水准点、钻孔及附近的地形和地物,以便作为桥梁设计、施工定位的依据。其作用是表示桥梁与路线所连接的平面位置,以及桥位处的地形、地物等情况,其图示方法与路线平面图相同,只是所用的比例较大。如图11-6所示,为某桥的桥位平面图。

图11-6 桥位平面图
二、桥位地质断面图
桥位地质断面图是根据水文调查和地质钻探所得的资料,绘制的河床地质断面图,用以表示桥梁所在位置的地质水文情况,包括河床断面线、地质分界线,特殊水位线(最高水位、常水位和最低水位)。如图11-7所示。

图11-7 所示为某桥的总体布置图

图11-8 桥位地质断面图
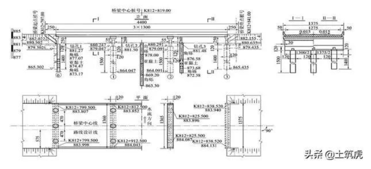
三、桥梁的总体布置图
桥梁总体布置图是指导桥梁施工的主要图样,它主要表明桥梁的型式、跨径、孔数、总体尺寸、桥面宽度、桥梁各部分的标高、各主要构件的相互位置关系及总的技术说明等,作为施工时确定墩台位置、安装构件和控制标高的依据。它一般由立面图(或纵断面图)、平面图和剖面图组成。
四、构件结构图
在总体布置图中,桥梁构件的尺寸无法详细完整地表达,因此需要根据总体布置图采用较大的比例把构件的形状、大小完整表达出来,以作为施工的依据,这种图称为构件结构图,简称构件图或构造图。
1.桥台结构图 桥台属于桥梁的下部结构,主要是支承上部的板梁,并承受路堤填土的水平推力。如图11-9所示。

图11-9 桥台结构图及立体示意图
2. 桥墩构造图 桥墩和桥台一样同属桥梁的下部结构,其作用是将相邻两孔的桥跨连接起来,如图11-10所示为该桥所用的轻型钢筋混凝土薄壁桥墩,该桥墩由墩帽及挡块、支座垫石、墩身、承台、桩基等组成。

图11-10 桥墩结构图及桥墩与桥台立体示意图

图11-11 预应力钢筋混凝土空心板结构图
二、识读钢筋混凝土结构物的配筋图

图11-12 混凝土墩身钢筋网

图11-13 装配式预应力空心板构造(单位:cm)

图11-14 装配式钢筋构造示例(单位:cm)
(一)钢筋混凝土结构的基本知识
混凝土是由水泥、砂、石子和水按一定的比例拌和硬化而成的一种人造石料。把它灌入定形模板中,经振捣密实和养护凝固后就形成坚硬如石的混凝土构件。混凝土的抗压强度较高,抗拉强度较低,容易因受拉而断裂,如图11-15所示。

图11-15 钢筋混凝土简支梁受力示意图
1.钢筋的分类和作用钢筋按其在整个构件中所起的作用不同,可分为下列几种:
(1)受力钢筋(主筋)。用来承受拉力或压力的钢筋,用于梁、板、柱等各种钢筋混凝土构件。
(2)箍筋(钢箍)。用以固定受力钢筋的位置,并承受一部分剪力或扭力。
(3)架立钢筋。一般用于钢筋混凝土梁中,用来固定箍筋的位置,并与梁内的受力筋、箍筋一起构成钢筋骨架。
(4)分布钢筋。一般用于钢筋混凝土板或高梁结构中,用以固定受力钢筋的位置,使荷载分布给受力钢筋,并防止混凝土收缩和温度变化出现的裂缝。
(5)构造筋。因构件的构造要求和施工安装需要配置的钢筋,如箍筋、预埋锚固筋、吊环等。如图11-16、图11-17所示。

图11-16 钢筋混凝土梁配筋示意图

图11-17 钢筋混凝土板筋示意图
2.钢筋的级别和符号
《钢筋混凝土用钢》(GB 14992007)中,常用钢筋按照屈服强度特征值和品种不同分类见表11-1。
表11-1 钢筋的级别和符号

3.混凝土的等级和钢筋的保护层
混凝土按其抗压强度分为不同的等级,普通混凝土分C15、C20、C25、C30、C35、C40、C45、C50、C55、C60、C65、C70、C75、C80十四个等级。数字越大,混凝土的抗压强度越高。

图11-18 梁内钢筋净距(单位:mm)
普通钢筋及预应力直线形钢筋最小保护层厚度(钢筋外缘或管道外缘至混凝土表面的距离),后张法构件预应力直线形钢筋最小保护层厚度不应小于其管道直径的1/2,见表11-2。
表11-2 普通钢筋及预应力直线形钢筋最小保护层厚度(mm)

注:环境条件:Ⅰ-温暖或寒冷地区的大气环境与无侵蚀性的水或土接触的环境;Ⅱ-严寒地区的大气环境、使用除冰盐环境、滨海环境;Ⅲ-海水环境;Ⅳ-受侵蚀性物质影响的环境。
当受拉区主筋的混凝土保护层厚度大于50 mm时,应在保护层内设置直径不小于6 mm、间距不大于100 mm的钢筋网。
4.钢筋的弯钩和弯起 对于光圆外形的受力钢筋,为了增加它与混凝土的粘结力,在钢筋的端部做成弯钩,弯钩的形式有半圆、直弯钩和斜弯钩三种,如图11-19所示。加工时,其断料长度要比钢筋平直段端点长出一段,这段长度即为钢筋弯钩的增长值。一般为6.25d、4.9d或3.5d。

图11-19钢筋的弯钩
(a)钢筋弯钩的画法;(b)半圆形弯钩;(c)斜弯钩;(d)直角形弯钩
受力钢筋中有一部分需要在梁内向上弯起称为钢筋的弯起。弯起时弧长比两切线之和短些,其计算长度应减去折减数值。如图11-20所示。

图11-20 钢筋的弯起
为了简化计算,钢筋弯钩的增长数值和弯起的折减数值均编有表格备查,如表11-3、表11-4所示。
表11-3 光圆钢筋弯钩增长数值(单位:mm)

表11-4 光圆钢筋弯转长度折减数值(单位:mm)

又如图11-21所示,4号22钢筋长度为728+652,查表11-3的弯钩增长长度为138 mm,90弯转长度为24 mm,728+652+2(13.8-2.4)=880.8881 mm。

图11-21 钢筋长度的计算
二、钢筋混凝土结构钢筋图的识读
钢筋混凝土结构图包括两类图样:一类称为构件构造图(或模板图),即对于钢筋混凝土结构,只画出构件的形状和大小,不表示内部钢筋的布置情况。另一类称为钢筋结构图,即主要表示构件内部钢筋的布置情况,也称为钢筋构造图或钢筋布置图,简称钢筋图。
1.钢筋结构图的图示特点
(1)将混凝土当做透明体,使其内部的钢筋清晰可见。
(2) 当钢筋间距和净距太小时,若严格按比例画图,则线条会重叠不清,这时可适当夸大绘制,以清楚为度。在立面图中遇到钢筋重叠时,亦要放宽尺寸使图面清晰。
(3) 钢筋结构图,不一定将三个投影图都画出来,而是根据需要来决定。例如画钢筋混凝土梁的钢筋图,一般不画平面图,只用立面图和断面图来表示。
2.钢筋的编号和尺寸标注格式
在钢筋结构图中为了区分各种类型和不同直径、不同长度、不同形状的钢筋,要求对各种钢筋加以编号,并标注其数量、直径、长度和间距等,编号用阿拉伯数字表示。
对钢筋编号时,宜先编主、次部位的主筋,后编主、次部位的构造筋。在桥梁构件中,钢筋编号及尺寸标注的一般格式如下:
(1)编号N标注在引出线右侧的细实线圆圈内,圆圈的直径为4~8 mm,格式如下: HPB300钢筋(Ⅰ级筋)共11根,l=64表示每根钢筋的断料长度为64 cm,@12表示钢筋轴线之间的距离为12 cm。即表示直径为6 mm的HPB300钢筋共11根,每根钢筋的断料长度为64 cm,钢筋轴线之间的距离为12 cm。

(2)尺寸单位:在路桥工程图中,钢筋直径的尺寸单位采用mm,其余尺寸单位均采用cm,图中无需注出单位。
(3)钢筋的编号和根数也可采用简略形式标注,根数注在N字之前,编号注在N字之后。在钢筋断面图中,编号可标注在对应的方格内,如图11-22所示。

图11-22 钢筋编号的标注
3.钢筋成型图
在钢筋结构图中,为了能充分表明钢筋的形状以便于断料和加工,还必须画出每种钢筋加工成型图(钢筋详图),图上应注明钢筋的符号、直径、根数、弯曲尺寸和断料长度等。有时为了节省图幅,可把钢筋成型图画成示意略图放在钢筋数量表内。
4.钢筋数量表
在钢筋结构图中,还附有钢筋数量表,其内容包括钢筋的编号、直径、每根长度、根数、总长及质量等,必要时可加画略图,如表11-5所示。
表11-5 钢筋混凝土梁钢筋数量表

图11-23钢筋混凝土配筋图
5、钢筋结构图识读举例
钢筋结构图在识读时,应该将各个图形与钢筋成型图和钢筋数量表结合起来。
(1)空心板钢筋结构图识读图如11-24所示。

图11-24中板钢筋构造图

图11-25边板钢筋构造图
(2)桥墩墩帽及挡块钢筋结构图识读 图11-26为该桥桥墩墩帽的钢筋结构图,包括立面图、平面图、钢筋成型图、钢筋数量表等内容。

图11-26桥墩墩帽及挡块钢筋结构图
(3)桥台、桥墩承台钢筋结构图识读 图11-27为桥台承台结构图。
