type c母座USB-C-04规格参数
插拔力:5~20N
耐压:100V AC
寿命:10000次
绝缘电阻:100M
接触电阻:0.04
使用温度范围:-55~85℃
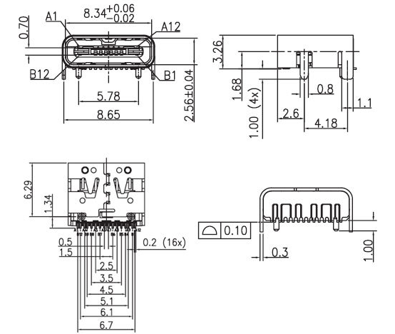
type c母座USB-C-04规格图纸

type c母座USB-C-09规格参数
分离:8~20N
插拔力:5~20N
绝缘电阻:100M
接触电阻:0.04
寿命:10000次
工作温度:-30℃~85℃
type c母座USB-C-09规格图纸

我们通过上面的type c母座规格图纸可以很清楚的看到type c母座接口的组成。通常来说,TYPE C母座的引脚Pin针规格包含:6P,12P,16P,14P,24P。由于数据的传输及电流的输送终都要依靠这些引脚端子来连接,所以引脚Pin针是非常重要的一个数据,相当于连接器的内核。