一般我们在购买3590电位器的情况下要注意商品是国内的還是進口的,她们中间的性能及其价钱也是有是各有不同的,我们在购买的情况下要注意其基本参数。3590电位器是一种在许多制造行业上都有运用的电子元件,比如工业控制系统制造行业、通讯业等。常见的电位器型号规格有3266电位器、3296电位器、3386电位器等。3590电位器在我们的日常生活之中的应用也是较为普遍的,尤其是在电子设备、家电数码商品、电气设备、仪表设备、手机上、通信等行业之中。下边我给大伙儿详细介绍常见的几种商品及其有关的主要参数专业知识吧!
(1)3590电位器_3590S_产品介绍:

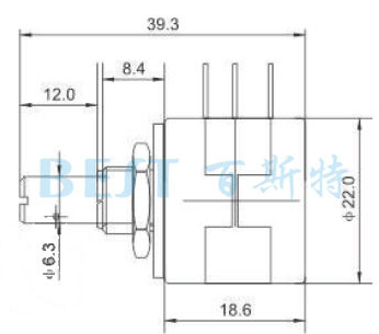
3590电位器_3590S_参照工程图纸:

3590电位器_3590S_性能参数:
3590电位器_3590S_性能:
接地电阻: 2GB
阻值误差: 5%
阻值转变特点: B
合理电行程安排 :3600 10
阻值范畴(Ohms) :100~100K
终端电阻: 0.2%R or 5
回路电阻转变: 2%R or 5
耐工作电压:101.3Kpa 710V, 8.5Kpa 470V
3590电位器_3590S_自然环境特点:
杂声: 100mv Max
操作温度范畴: -55℃ ~ 125℃
气侯次序: △R3%R,R1100M
撞击:390m/s2,4000uqw , △R1%R
70℃电气设备使用性能:△R(3%R 0.5)
最大功率(较高工作标准电压300V):2W(70℃ )
温度系数: 50X 10-6/℃(-55℃~ 125℃)
震动:10~500Hz,0.75mm,6小时△R(1%R 0.1)
3590电位器_3590S_物理学特点:
启动扭矩: 36mNm
止档扭矩: 300 mNm
(2)3590电位器_3590S-2_产品介绍:

3590电位器_3590S-2是一种高精密单珠线绕电位器,一般广泛运用于电视、车截音响、电扇、音响机器设备、电器产品等商品。
3590电位器_3590S-2_参照工程图纸:

3590电位器_3590S-2_性能参数:
3590电位器_3590S-2_性能:
阻值误差: 5%
阻值转变特点: B
合理电行程安排 :3600 10
终端电阻: 0.2%R or 5
回路电阻转变: 2%R or 5
阻值范畴(Ohms) :100~100K
接地电阻: 2GB
耐工作电压:101.3Kpa 710V, 8.5Kpa 470V
3590电位器_3590S-2_自然环境特点:
操作温度范畴: -55℃ ~ 125℃
杂声: 100mv Max
震动:10~500Hz,0.75mm,6小时△R(1%R 0.1)
最大功率(工作标准电压300V):2W(70℃ )
气侯次序: △R3%R,R1100M
70℃电气设备使用性能:△R(3%R 0.5)
撞击:390m/s2,4000uqw , △R1%R
温度系数: 50X 10-6/℃(-55℃~ 125℃)
3590电位器_3590S-2_物理学特点:
启动扭矩: 36mNm
止档扭矩: 300 mNm
3590电位器的最大功率应超过具体损耗输出功率,一般 挑选电阻的最大功率为损耗输出功率的二倍之上。之上便是有关3590电位器的性能参数、性能及其规格型号工程图纸的详细介绍,在这儿我觉得告知大伙儿一些有关3590电位器的采用常见问题,我们在挑选电位器时,要考虑到其阻值和精密度,一般 电阻值应依据具体必须的测算值,挑选系列产品表格中贴近的允差值。若有高精密的规定,则应挑选高精密电阻值。次之要考虑到最大功率。