智能型箱泵一体化泵功能特点
1、保持恒压压力
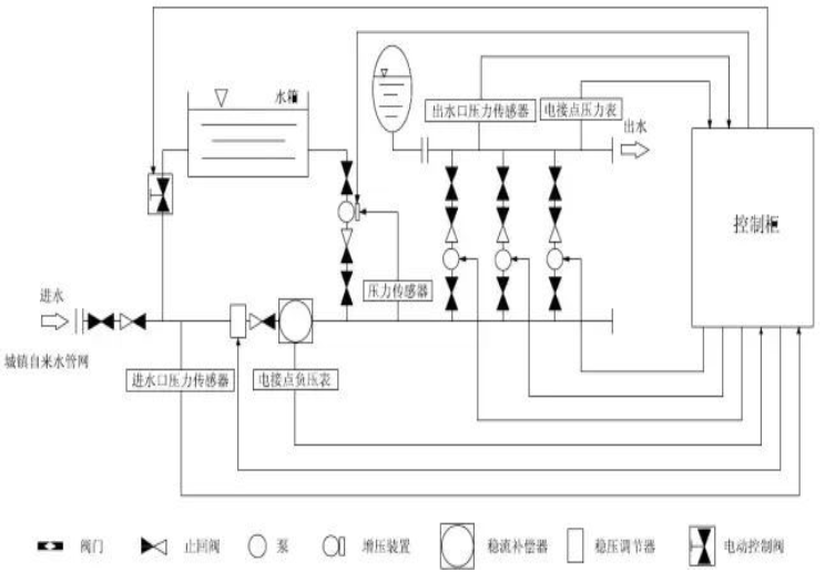
智能型箱式泵站实时通过压力传感器检测出口压力,将检测值和设定值进行比较运算,确定电机及水泵投入台数和变频器输出频率(反应为电机及水泵转速),以实现恒压供水的目的。当自来水管网压力波动使得压力值小于正常压力值,进水量暂时小于出水量时,系统自动将稳压装置关到适合的位置,并启动增压装置通过多点取水,进行加压,知道进水口压力口压力到达市政自来水管网正常压力值,确保设备进水口水量充足,以满足用户的用水需求。
2、高度自动化
系统能实现全自动控制,具有手动/自动切换、主副泵定时轮换、压力调整、恒压、高低电压保护、欠相保护、漏电保护、过载保护、过热保护、缺水保护、不用水停车、瞬间跳闸保护等功能。另可根据用户需求配置人机界面,可视化远程调整、监测和维护。
3、卫生-过流部件均采用不锈钢等食品级材料制造,符合国际涉水卫生规范。
4、叠压运行,节省费用
系统保证管道恒压是根据用水量的变化调整投入台套数和运转速度,用水量大时投入功率大,用水量小时投入功率小。小用水量时(如夜间)系统由小功率泵变频调速恒压供水。系统一直在高效率点运行。因而大大降低了运行费用。可节约能源60%以上。-如市政管网有一定的压力,运行是只需在市政压力基础上补压即可。与传统具有蓄水池的供水设备相比达到同样的效果而从电网吸取的功率较小。及恩呢该效果十分显著。-系统全自动运行无须专人值守:又因没有蓄水池等土建贮水设施,也没有水质处理仪器,免去定期清洗、消毒等工作。故进一步降低了运行费用。
5、反冲洗功能-系智能型箱式泵站具有反冲洗控制功能,当水箱使用一段时间后,系统利用水泵的高压水定期对水箱进行冲洗,同时将含有杂质的水排放出去,确保水箱内不会产生污垢,保证用户用水洁净。
智能型箱泵一体化泵站示意图

箱式无负压供水设备是在组合式不锈钢水箱和变频恒压供水的基础上开发研制的,并加装防负压、防倒流、防水质恶化等控制装置。该设备与普通的变频供水设备和无负压供水设备相比,具有节能显著、噪音低、占少、可靠性高等优点,是目前最先进的供水模式。箱式无负压供水设备能够和市政管网串接,确保对市政管网不产生负压,在用水高峰期间,通过微机控制变频调节水泵能将密闭水箱中的水增压,避免了因市政管网供给不足的用户所需给水的流量。
箱式无负压供水设备是在原有的变频恒压供水设备与无负压供水设备基础上升级开发而来的第七代品,它由不锈钢水箱、专用水泵、智能变频控制柜、无负压装置、增压装置、引水装置和稳压罐等组成,是由计算机技术、变频技术与电机泵组合的新型的机电一体化供水设备。以满足城市供水管网中,抽水时既不产生负压,又有一定的调蓄能力,高峰期间不断水停水的要求。采用微机控制变频泵以一恒定的转数运行利用自来水原有的压力能确保用户所需要的压力恒定。具有节能、环保、噪音低、供水压力恒定等优点。
主要技术指标增压压力范围、流量和节能指标,均高于国内其他报道的产品,且结构设计具新颖性,总体水平达到国内领先,国际先进水平,因此,在市场上具有极大的竞争优势。归纳的说,智能化箱式无负压供水设备设备主要特点是保护管网压力、调节峰值用水,节能、安全、环保、供水高品质(解决了二次供水污染)和低噪音。
随着二次供水加压技术的发展,箱式无负压供水设备从根本上解决了这些问题。据供水设备推广中心的资料显示,箱式无负压供水设备不需建造水塔,投资小、占地少,采用水气自动调节、自动运转、节能与自来水自动并网,停电后仍可供水,调试后数年不需看管。比建造水塔节约投资70%,比建造高位水箱节约投资60%,大大节约土建投资。
箱式无负压供水设备广泛用于企事业单位、住宅区及农村的生产、生活、办公用水。供水户在20-2000户。日供水量在20-50000m3,供水高度达150米,即50层楼房。
箱式无负压供水设备工作原理

当公共供水管网0.2Mpa时(可自由设定0.20.4Mpa)无负压装置关闭,无负压进水装置打开,由水箱供水,反之当公共供水管网压力0.2Mpa时,延时10分钟(时间可调整)无负压装置打开无负压进水装置关闭,由公共供水管网供水。无负压水箱内存储的水通过智能控制每6小时循环一次确保水质新鲜、纯净。
箱式无负压供水设备的变频泵以一定的转速运行,利用自来水原有的压力实现叠加能确保用户所需的压力和压力恒定。无负压水箱变频泵的进水口与无负压装置和无负压进水装置连接,通过无负压装置的开启与停止达到自来水管网不产生负压在无负压装置起停的同时无负压进水装置会做出与无负装置相反的动作。
自来水管网停水无负压装置自动关闭,水箱的无负压进水装置自动打开由水箱供水。当水箱液位低至一定程度时,无负压进水装置自动关闭,设备自动停机,复电时自动投入运行。
箱式无负压供水设备具体说明
智能型箱式泵站主要是由密封结构水箱、增压设备、变频控制柜、稳流器及泵组组成。系统分两路进水,一路进水箱,一路进稳流器,当用水量小,自来水服务压力高时,智能型箱泵一体化泵站直接从自来水管网取水,叠压供水。当自来水服务压力低时,增压装置开始工作,将水箱内的水加压到设置的服务压力,进行差量补偿,从而达到节能、无二次污染、恒压供水的目的。对市政自来水管网没有影响,是供水领域的新一代节能产品。
1.保证管网压力:调节峰值用水,水箱入口处采用了智能化的电磁阀来控制进水压力及水位。当管网压力下降加压泵从水箱取水时,可通过智能控制,当水箱水位低于一定液位时,再打开电磁阀从管网中放水,此时保证取水口一定的压力。此措施一可以避开高峰用水,起调峰作用,二是避免了普通水箱的零压力泄水,对管网压力是一个很好的保护作用。
2.配置独特:供水设备推广中心所介绍的设备,都是引领供水设备发展的前沿,均采用引进国际先进技术和关键设备,并结合专用泵。它用水冷式电机、水冷式轴承、全封闭绝对滴水不漏,噪音低于50分贝,防止水箱空间小,常规电机发热而烧坏电机和设备。
3.运行可靠性:当用水高峰时,或自来水停水时,由水箱供水,大大提高用户用水的可靠性,完全符合自水供水规范。
4.环保无污染:此成套设备中水箱、水泵、管路及阀门等涉水材料均采用食品级不锈钢材料,密封供水,不会产生二次污染,卫生环保。
5.节能:当自来水压力能满足用户用水要求,增压泵通过变频控制处于休眠状态。当非高峰用水时,自来水压力又达不到用户用水压力,水泵可以在自来水水压(0.20.5MPa)的基础上叠加增压,差多少补多少充分利用余压节约电能,节能效果显著。
适用范围
1.适用地域范围:适用于城市管网压力较充足的地区加压给水
2.适用工程类型:工矿企业的生产、生活用水、自来水厂的大型给水中间加压泵站
3.适用工程部位:给水二次加压系统
4.其它适用范围:新建、改建、扩建住宅楼、办公楼、宾馆、饭店等公共建筑生活用水
5.使用单位类型:设计单位、施工单位、监理单位
设备安装顺序:
1、 无负压供水设备整套水泵运到现场。附带底座或者已装好电动机。找平底座时可不必卸下水泵和电机。
2、 将底座放在地基上。在地脚螺钉附近垫楔形垫铁。将底座垫高约20-40毫米。准备找平后填充水螺浆之用。
3、 用水平仪检査底座的水平度。找平后扳紧地脚螺母用水泥浆填充底座。
4、 经3-4天水泥干固后。再检査一下水平度。
5、 将底座的支持平面、水泵脚、电机脚的平面上的污物洗清除;并把水泵和电机放到底座上。
6、 调整泵轴水平。找平后适当上紧螺母。以防走动。待调节完毕后再安装电机。在不合水平处垫以铁板,泵和联轴器之间留有一定间隙。
7、 把平尺放在联轴器上。检査水泵轴心线与电机轴心线是否重合。若不重台。在电机或泵的脚下垫以薄片,使两个联轴器外圆与平尺相平。然后取出垫的几片薄铁片。用经过刨制的整块铁板来代替铁片。并重新检査安装情况。为了检查安装的精度。在几个相反位置上用塞尺。测量两联轴器平面的间隙。联轴器平面一周上最大和最小间隙差数不得超过0.3毫米。两端中心线上下或左右的差数不得超过0.1毫米。犀牛公司 犀牛无负压供水设备经精心加工装配,振动小,故建议一般不采用安装隔振器,书中所注隔振器为推荐规格,一般情况下推荐采用联接板与基础直接联接方式。
智能型箱泵一体化泵站水箱

箱式无负压成套供水设备 配套水箱式复合式增压供水设备等无负压供水设备专业研制生产的无负压变频水箱是在组合式不锈钢水箱和变频恒压供水的基础上开发研制的,并加装防负压、防倒流、防水质恶化等控制装置。该设备与普通的变频供水设备和无负压供水设备相比,具有节能显著、噪音低、占地少、可靠性高等优点,是目前最先进的供水模式。该设备采用国际知名品牌优质变频器(瑞士ABB),内置PID控制器,依据PLC对市政管网压力和实际所需压力数据的采集、分析和判断,使供水压力始终恒定在预先设定的压力值范围内,整套系统技术先进,设计合理,运行可靠,高效节能。
不锈钢高位水箱是继玻璃水箱之后又一代新型贮水工具,其产品采用全不锈钢板精工细作而成,造型美观、经济实用、主体以久不坏。不锈钢高位水箱与其它水箱相比,具有重量轻、强度高、耐腐蚀、耐高温、水质清洁,防渗,抗震,永不生青苔,安装方便,无需维修,便于清洗等诸多优点。
无负压变频不锈钢水箱
一,无负压变频不锈钢水箱基本概况:
不锈钢水箱常见的有方形组合式水箱,立式圆柱形水箱,卧式圆形水箱。采用SUS304、SUS316L等不锈钢板,冲压成型,周边用钨极氩弧焊接,具有强度高、重量轻、成本低、环保卫生等特点。制造标准为国家建筑标准设计图集02S101。
二,无负压变频不锈钢水箱清理:
1、关闭进水阀,打开排污孔堵头(或阀门),使水箱中的余水排尽;
2、通过爬梯进入水箱;
3、用干净拖把或抹布对水箱周边和底部进行清洗。底部积垢严重的,可用软毛巾加清洁剂擦洗;
4、打开进水阀门,放入适量清水冲洗桶壁及底部,使污垢从排污口排净,必要时可反复进行多次,直到满意为止;
5、旋紧排污堵头,打开进水阀门,让水箱重新装满水,清洗工作结束。
三,无负压变频不锈钢水箱技术要求及参数:

1、给水箱焊缝,材料:以下根据冲压不锈钢水箱技术参数编制,水箱附件材料采用普通碳素钢板及型刚制作,LB304NI8.0型焊条焊接,其质量应分别符合现行标准《碳素结构钢》和《碳钢焊条》的规定。顶、箱壁、箱底的LB304不锈钢板拼接均采用对接焊接(顶板为I型焊缝,底板及侧壁为V型焊缝),其他焊接为贴角焊缝,焊缝之间不允许有十字交叉现象,且不得与加强肋重合,焊机为LB-2-300型不锈钢水箱专用焊机,具备电焊和氩焊功能.
2、满水实验水箱制作完毕后,将水箱完全充满水,经2~3小时后,用重0.5~1.5千克的锤铅沿焊缝两侧约150毫米的地方轻敲,不漏水为合格。若发现有漏水的地方,须重新焊接,再进行实验。
四,无负压不锈钢水箱产品特点:
1、不锈钢水箱一般采用SUS304材质的不锈钢板材,物理化学性质稳定,对水质无污染,保证水质清洁卫生。
2、不锈钢水箱冲压成型,强度高、重量轻、外型整洁、美观高雅。
3、水箱板一般采用高镍8.0以上3042B板,表面光洁美观、易清洗。
4、由于表面有致密氧化层,耐腐蚀性能优越,密封性能好。
5、抗冲击性能大,抗震性能强。
五,无负压不锈钢水箱适用范围:
不锈钢水箱适用于大型宾馆饭店、机关、公寓、科研教学楼及食品加工、医疗卫生、电子工业等对水质要求较高的场所。(注:水中氯离子含量高者慎用)
六,无负压不锈钢水箱产品质量:
选用进口不锈钢SUS304的不锈钢水箱专用板,符合国家OCr18Ni19卫生检验标准,不生锈,不长青苔,不漏水、永久保持清洁卫生,安全稳固,使用寿命是混凝土水箱的15倍以上,并可适用于冷水、净水、开水、化学品、溶剂等储存
七,无负压不锈钢水箱使用功能:
全封闭,有进水、出水、溢流、排污之功能,安装简便,您只需将水箱置于房顶,接上水管即可使用,保养十分方便。不锈钢水箱广泛用于高楼公寓、工厂、学校、医院、别墅及其它各个领域。
八,无负压不锈钢水箱安装调试(方形水箱):
不锈钢水箱基础可采用混凝土条形梁,或工字钢。不锈钢水箱顶部对角设有透气空气过滤装置,规格和数量根据进口尺寸大小由生产厂家确定装置。不锈钢水箱内部均使用拉筋。各管口法兰均为1.0MPa标准法兰。设计人员在布置水箱位置时,应参照GB17051-1997二次供水设施卫生规范。水箱规格技术参数或方位与实际使用不适合时,由不锈钢水箱设计人员按实际需要提出确定。
1、不锈钢水箱满水实验,24小时无渗漏现象;
2、管道连接处、阀门及相关附件有无渗漏水现象;
3、观察供水系统运转情况是否正常;
4、检查水质消毒系统是否工作正常。
九,无负压不锈钢水箱使用说明:
1、不锈钢水箱作为储存生活用水的二次设备,只能装生活用水(消防用水),不能装盐酸、硫酸或酸性、碱性含量较大的液体。
2、水箱在使用过程中,不要将其他笨重设备放置在水箱顶部,不要用硬物随意敲打或图画水箱版面及管件,有问题要预先通知厂家技术维修人员,维修焊接人员,要求是专门从事氩弧焊接工作的专业人员,维修时要把水放掉。
3、维护人员每月定时观察水箱内、外部主件及配件使用情况,有问题及时向厂家反映。
4、水箱入孔盖不要随意打开,防止水质受二次污染,水箱每年定时清洗、消毒1-2次。装配式不锈钢肋型焊接水箱产品说明装配式不锈钢肋型焊接水箱,是指容器本体用不锈钢板冲压带一定凹凸形状,使之钢度大大提高,再焊接成薄壳箱体的新型水箱,是目前国内最先进、最美观、最适用的水箱,其结构精巧、合理、先进,用材省,可在民用及工业建筑中广泛采用,是储存、调节用水的理想设备。它具有结构设计合理、全焊接现场组合,强度高、密封性好,防止水质二次污染,永不渗漏,重量轻,是普通钢板水箱的二分之一,价格合理,外观整洁、光亮、美观、实用等特点。
十,无负压不锈钢水箱产设备:
气动多用点焊机,半自动电动滚筋机,电脑脉冲(变频调速)横直缝焊机,多用弯圈机
一、气一,动多点焊机特点:
1,气动控制,使用便利;
2, 用途广泛,可用于太阳能内外桶,不锈钢水箱,为两用机。
二、半自动电动滚筋机特点:
1,螺杆调节滚筋深度,效率高;
2,底座,操作便利;
3,用途广泛,可用于太阳能内外桶,不锈钢水箱,为两用机。
4,使用不同的滚模模具,可制作出不同的花纹。
三、电脑脉冲(变频调速)横直缝焊机特点:
1,特长焊臂,可焊接大容量不锈钢水箱;
2,电脑脉冲控制,技术精细;
3,系铬锆钨铜合金,耐磨;
4,底座活动可调节,生产方便;
5、可调节,维护方便;
6,积尺寸大,实用;
7,用途广泛,可用于太阳能内外桶,不锈钢水箱,为两用机。
8,焊接速度快,并且可调节。
四、多用弯圆机特点
1,双链传动,平稳;
2,滚圆尺寸可任意调节;
3,换上不同的模具可滚不同的方钢,角钢,圆管。
十一,无负压不锈钢水箱安装说明:
a、水箱基础要求,基础几何尺寸应按GB02S101有关规定制定。砼基础平面高低差5mmb、不锈钢水箱的安装,施工和验收专业焊工现场氩弧焊接。施工现场有标准电源。水箱四周有500mm的检修空间。外观检验无锈蚀,无污染:注满水2-3h,箱体无明显变形,焊缝无渗漏为合格。
c、水箱的使用、维修和保养配管时,切勿向配管进出水口施加过大的负荷。不要将阀门及大口径管道的重量直接施加到水箱水口,必要时设置管道支撑:对焊接管的膨胀、收缩、振动必须装伸缩柔性接头。冲压不锈钢板焊接水箱采用不锈钢钢板冲压出加强筋,并用不锈钢焊接条整体焊接而成,结构简单,强度好,可制造较大容量的水箱。因箱体采用不锈钢板整体焊接,彻底遮断了太阳光的照射,所以不会滋生藻类。使水质始终保持清洁。