1、引起的原因
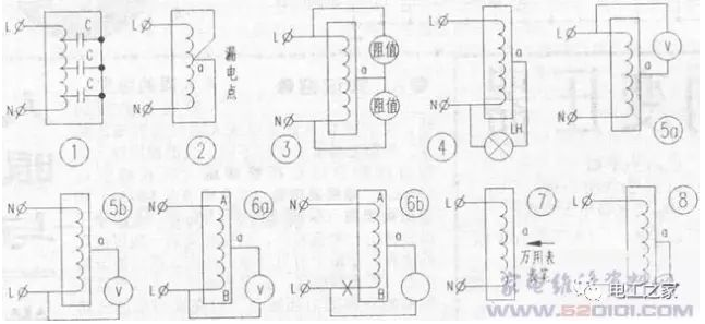
感应带电是因为机器内部线路与外壳相互感应或线路与线路之间相互感应引起的,其带电机理如图1所示,相当于带电部分与外壳间通过电容相通。漏电是因机器使用日久或受潮等原因致使内部线路绝缘老化或绝缘降低,使得机器外壳带电。有的是因为机器的外壳变形,使得外壳与内部带电部分有一处或多处直接接触所引起的(这种情况下再使用机器很危险),如图所示。

2、区分方法
1.电阻测量法
用万用表测量机器外壳与线路之间的绝缘电阻,如图3所示。当测量的阻值大于1M时,可以认为是感应带电,当测量的阻值为几千欧或者更小时,可以认为是漏电,必颂采取措施才行。这是一种比较简单比是最常用的方法,但这种方法不太可靠,必须再用其他的方法进一步确定。
2.负荷判断法
断开机器的零线(N线),在断点与外壳间接入一只220V/15W灯泡,连接良好后接通电源,这时如果灯泡发光,表明机器已发生漏电现象;如果灯泡不发光表明机器是感应带电。这是因为漏电的电流可以很大,足以使灯泡发光,而感应电流只有几十毫安,不足以使灯泡发光。这种方法判断起来比较准确。
3.电压测量法(一)
用万用表的电压挡,先测量一次机器外壳与地之间的电压,然后将机器的火线(L线)与零线(N线)对调后,再测量一次机器外壳与地之间的电压。如果前后两次电压数值有很大的变化,则很大程度上是漏电引起;如果两次测量结果没有明显的变化,则说明是感应带电。这是因为机器发生的漏电点,很多时候不是在机器正常带电体的正中间,若恰好在正中间则判断就会发生错误,前后两次测量的结果会有所不同。而当感应带电时,因其与测量点无关,所以数值不会发生变化。
4.电压测量法(二)
在机器运转的情况下,先用万用表测量机器外壳与零线(N线)之间的电压。停下机器,断开零线(N线),在断点与机器外壳间接入万用表,然后只把火线(L线)接上电源,再次测量电压,前后两次进行比较,若两次的结果有明显的变化,则表明是漏电;如没有太大的变化,则大多数情况下是感应引起的带电。这是因为第一次测量的电压是漏电点与零线(N线)之间的电压(除非漏电点非常靠近火线端才近似为电源电压),第二次测量的电压基本上是电源电压;二者在很多时候是有所区别的。如果是感应带电就不会有这样的数值变化。
5.电压测量法(三)
将数字万用表打到AC 20V挡,然后一手握住一支表笔,一手持另一支表笔靠近机器外壳。当距离约为45cm时,观察万用表,如果万用表有几伏(V)的电压显示,表明是漏电引起的带电;如果万用表没有显示或显示的数值非常小,则表明外壳带电是因为感应引起的。
由以上几种判断方法来看,有的简单,有的不太准确,所以在遇到机器外壳带电的情况时,要几种方法相互配合加以判断,以增加判断的可靠性,以便采取相应的措施。
3、应采取的措施
当区分出来是漏电还是感应带电后,就需要采取不同的措施。如果是感应带电,则应该为机器外壳打一接地线,如图8所示,这样在以后的使用中就不会有麻手的现象了,而且还会对机器漏电起到一定的保护作用;如果是漏电引起的带电,则应该对机器进行检修,找出漏电点,加强绝缘或修理后机器才能再继续投入使用。