2018年2月起实施的《装配式建筑评价标准》GB/T51129-2017中,对装配率计算做出了明确规定。那么PKPM-PC软件是如何计算的呢?下面将以一个剪力墙结构的项目以主体结构Q1项为例,详细介绍国标装配率在软件中的具体算法。
01 竖向构件
根据国标《装配式建筑评价标准》4.0.2~4.0.3考虑:

其中4.0.3中提及的可计入预制部分的后浇混凝土体积包括:
1. 预制剪力墙板之间宽度不大于 600mm 的竖向现浇段和高度不大于 300mm的水平后浇带、圈梁的后浇混凝土体积。
2. 预制框架柱和框架梁之间柱梁节点区的后浇混凝土体积。
3. 预制柱间高度不大于柱截面较小尺寸的连接区后浇混凝土体积。
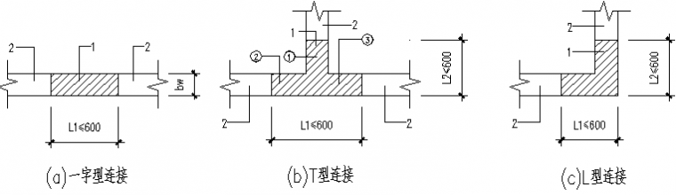
程序中对于现浇节点的计算规则如下:

1. 一字型连接:(1)一字型墙处连接两段预制墙,当两段预制墙间后浇段尺寸满足右图(a)要求时,此现浇段计入到V1a中;(2)一字型墙处只连接一片预制墙,现浇段不计入V1a中。
2. T型连接:(1)T型墙节点处连接三段预制墙,当三段预制墙间现浇段尺寸满足右(b)要求时,此现浇段计入到V1a中;(2)当T型①号墙肢尺寸大于600时,按照一字型连接墙肢进行判断;当T型②加③肢尺寸和大于600时,只判断①号墙肢是否小于600,如果满足,则计入V1a;(3)T型墙节点处连接两段预制墙,当预制墙段与②、③肢连接时,按照一字型连接进行判断;(4)T型墙节点处连接两段预制墙,当预制墙段与①、②肢连接时,判断①号墙肢是否小于600,如果满足,则计入V1a;(5)T型墙节点处连接一段预制墙时,如果该预制墙连接的是①号墙肢,且①号墙肢长度小于600,则①号墙肢体积计入V1a中。
3. L型连接:(1) L型墙节点处连接两段预制墙,当两段预制墙间现浇段尺寸满足右图(c)要求时,此现浇段体积计入到V1a中。当其中任意一肢尺寸大于600时,此现浇段体积不计入V1a中。(2)L型墙节点连接一段预制墙,此现浇段不计入V1a中。
程序中各类竖向构件的算法请参照下表规则:
表1 主体结构竖向预制构件的算法

我们可从国标装配率计算结果中分别查看各预制竖向构件的分项体积及总体积,详图1、图2。

图1 竖向预制构件混凝土体积的详细结果显示

图2 可计入预制体积部分的混凝土量的详细结果显示
下面举例计算一下编号为2F-YWQ-2-1-A的预制外墙体积:

图3 预制外墙2F-YWQ-2-1-A平面图示意图

图4 预制外墙2F-YWQ-2-1-A立面示意图
如图3、4所示,该构件预制墙体积V=V结构墙-V洞口=4.9x0.2x(2.8-0.14-0.02)-1.5x2.280x0.2-1.8x2.280x0.2=1.105,与输出结果一致。(详图1)
可计入的体积:
V缝=4.9x0.2x0.14=0.13
V边缘构件:
GBZ-1-1A: V=2.8x[0.5X0.2+0.3X0.2]=0.448
GBZ-3-1A: V=0.5X0.2X2.8=0.280
与程序输出结果一致。(详图5)

图5 预制外墙2F-YWQ-2-1-A可计入预制部分体积明细表
竖向构件总体积可直接从结果中查看,程序中统计的是模型中所有自然层结构构件的总体积(不包含预制飘窗的体积),同时也有每个构件的分项统计结果。(若想统计三明治外墙保温层、外叶板和飘窗的体积可采用预制率的计算功能进行统计。)

图6 竖向构件体积汇总表
02 水平构件
对于梁、板、楼梯、阳台、空调板等构件中预制部品部件的应用比例应按下式计算:
q1b =A1b/A100% (4.0.4)
式中:q1b──梁、板、楼梯、阳台、空调板等构件中预制部品部件的应用比例;
A1b──各楼层中预制装配梁、板、楼梯、阳台、空调板等构件的水平投影面积之和;
A──各楼层建筑平面总面积。
程序中各构件算法请参照下表规则,预制板统计结果详图6:
表2 水平预制构件投影面积算法表


图6 预制板水平投影面积详细结果

图7 预制板2F-YBS-1-1A平面示意图
水平投影面积S1=5.52X2.2=12.144
可计入的缝面积:S2=0.3x5.52=1.656
与输出结果一致。
各楼层建筑平面总面积A的计算方法为:各自然层水平构件包括板、梁、悬挑板水平投影面积和楼梯所占房间面积的总和。不包括全房间洞和与竖向构件重叠处的面积,下面我们举例来核算一下结果,某项目自然层2的平面布置图如图8所示:

图8 某项目自然层2平面布置图
建筑平面总面积A计算结果如下表所示:

举例计算:
S板=5.5x7.2=39.600㎡
S悬挑板=1.3x2.850=3.705㎡
S梁=0.2x4.6=0.920㎡
S楼梯间=4.8x2.5=12.000㎡

图9 全楼水平预制构件投影面积汇总表
从图9中可以看到,程序结果输出为426.055,与手核结果基本一致,差值在0.18%内。
03 结论
本文以国标装配率为例介绍软件中主体结构部分的具体计算方法,最终得出结论PKPM-PC软件计算与手动校核的数据基本一致,误差范围可控在0.18%以内,数据真实可靠。
目前PKPM-PC提供多地区的装配率指标计算功能包括:深圳、上海、浙江、河北、江苏三板等。其余地区如福建、山东等地计算方法存在与国标类似之处,设计师们可灵活运用国标的计算结果,快速计算装配率,并生成符合当地送审要求的计算书。