1 软弱地基形成的原因
软弱地基是由淤泥、淤泥质土、杂填土、冲填土或者其它高压缩性土层形成的地基,这些地基基本上很少受到地质变动或者地形的影响,也从没有受到过地震、荷载等物理作用的影响,更没有受到土颗粒间化学作用的影响。
软弱地基是一种不良的地基,其稳定性非常的差、强度较低、压缩性较高、容易出现液化,沉降量也很大。因此在工程的建设过程中,要充分考虑地基的变形和稳定等问题。在软弱地基上建设的工程,由于其地基强度不够和变形,往往不能满足工程的质量,所以要采用一定的措施,对软弱地基进行处理,从而提高地基的稳定性,减少地基的沉降和不均匀下降。
2 软弱地基的处理方法
软弱地基的处理的方法主要包括为:换填垫层法、预压法、挤密法、深层搅拌法、高压喷射注浆法、灌浆法、强夯法、加筋法等。①换填垫层法

该方法是用物理力学性质较好的岩土材料置换天然地基中的部分或全部软土层,并分层夯实成低压缩性的地基持力层,地基持力层有利于防止地基的冻胀,有利于提高地基的承载能力,也有利于加速软土的排水固结,同时也有利于减少地基的沉降量。
②预压法

预压法有两种分类方法,一种是堆载预压法,另外一种是砂井预压法。此种方法有利于利用外载作用,提高软土的排水固结,增强它的抗剪强度和能力。由于预压目的不同,需要采用不同的预压方式。如果利用预先荷载加压,能够减少建筑物的沉降量;如果利用建筑物本身的荷载分级加荷进行预压,能够增加地基强度和提高地基的承载能力。砂井预压法是在软土层中按一定距离设置砂井来改变软土层的排水边界条件,该方法可以加速软土的固结,缩短预压时间。该方法是在通过在软土层中按一定的距离设置砂井,通过设置的砂井来改变软土层的排水条件,排水条件的提高有利于加速软土的固结,有利于减少预压的时间。
③挤密法

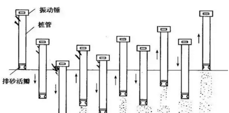
振动挤密砂桩施工顺序图
该方法是通过望土中打入桩管成孔,并把填入孔中的砾石等材料捣实。此种方法主要针对的是含砂粒、瓦屑的杂填土等较多的松散土地基,对于粘性大的饱和软土地基不太合适。
④深层搅拌法
该方法通过水泥、石灰等建筑材料的固化剂,运用深层搅拌机械对各种材料进行搅拌,使得固化物和软土搅拌均匀,从而产生一系列的物理或者化学反应,这样就能够使得软土强度大大高于天然强度,其压缩性、渗水性比天然软土大大降低。该方法适合于各种成因的软土层,尤其是对于厚度较大的饱和软黏土。
⑤高压喷射注浆法

该方法是使用较大的压力,把水泥浆液从管路中喷射而出,该方法能够通过切割破坏土体,并能和土拌和均匀,并产生部分的置换作用,通过自然凝固后成为拌和桩体,并与地基形成良好的复合地基。
⑥灌浆法

该方法通过运用钻机成孔,根据需要灌浆的合适的深度,把注浆管慢慢放入孔中,并使得钻孔的周围和顶部用东西封死,然后开始启动压力泵,往孔隙和岩石的间隙中注入搅拌均匀的水泥浆。
⑦强夯法

强夯地基处理施工示意图
该方法能够通过较大的压力和冲力对地基产生很大的作用,从而使得地基得到加固,使得的土的压缩性进一步缩小,增大了地基的强度,使得地基的抗液化的能力得到加强,大大降低和消除黄土的是湿陷性。同时,该方法有利于使得土层均匀,预防以后出现的差异沉降。
⑧加筋法
该方法是运用强度较大的条带、纤维等土工聚合物埋入土层中,它有利于增加地基的承载力,降低或者消除地基的沉降量,提高建筑物的稳定能力。对于强度较大的土工合成材料,使得地基能够承受更大的抗拉力,减少地基的断裂的可能,使得地基的整体性和刚度得到进一步增强,增强地基的承载能力,改善地基土体的应力场和应变场。该方法适合于各种软土地基和各种高填土等。
3 软弱地基局部处理
在工程建设中,需要经常对地基作局部的加固处理,这样可以保证工程的质量,缩短工程建设的进度。在对软弱地基作局部处理时,要首先查明局部地基异常的原因和范围,然后根据软弱地基的实际情况,适用各种软弱地基处理方法,使得建筑物的各个部位的沉降量趋于一致,从而较少地基的不均匀沉降。
①松土的处理
当遇到范围较小的松土坑时,可以先将松软土挖掉至老土,然后用压缩性相近的材料回填,当天然土为砂土时,用砂或级配砂石回填,回填时应分层洒水,夯实或用平板振捣器振密,每层厚度不大于20cm,同时根据土的性质和范围的不同,采用不同比例的灰土分成夯实。应通过配置适当的钢筋提高地基上部的刚度能力。
②砖井和土井的处理
如果砖井在基槽的中央,这时的内填土已经变得很密实,当出现这种情况时,应把井的砖圈放低到槽低下面1米的位置,同时用合适比例的灰土夯实到槽低,当井的直径大于1.5米以后,这时采用提高上部结构的刚度,并运用钢筋做墙内的地基,使得地基梁跨越砖井,对于井在基础的转角处的情形,一方面应对基础进行必要的加固处理,另一方面采用拆除回填的方法进行合适的处理。
③局部范围内硬土处理
对于桩基周围有部分过分坚硬的土质时,要对这些东西进行局部的处理,这就需要挖掉旧的墙基、老灰土、大树根等等,这样就能减少地基的不均匀下降,也能有效避免建筑物建成之后的开裂,从而保证建筑物的质量。
④管道处理
对于槽底附近的上下水管道,要采取其它的措施,防止出现漏水情况,避免出现水侵湿地基,使得地基出现不均匀的沉降。对于在槽底下方出现管道的情况,要把管道进行清除,或者将基础局部落低,使得管道穿过基础墙,同时也要防止建筑物下沉,从而对管道形成破坏漏水,造成地基的不均匀沉降,影响建筑物的质量问题。
⑤橡皮土的处理
对于地基的土质出现粘性土的时候,这种土一般含有较多的水分,对这部分进行夯排以后,就会形成所谓的橡皮土,因此,对于这样的情况,要采用其它办法先进行处理,比如进行晾槽或者使用白灰沫等办法,使得土的含水量得到有效的降低,对于出现的地基颤动情况,应把这些土进行全部的挖除,并填入相应部分的砂土,从而消除地基颤动情况。