1、试验接线及仪器设备的选择
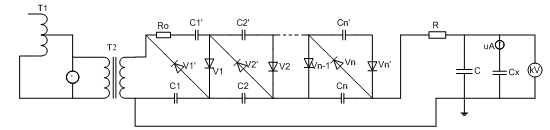
根据规程,500kV交流电缆的直流耐压试验电压为775kV,产生直流高电压的方法通常是将工频高电压经整流而变换成直流高电压的方法,而利用倍压整流原理制成的直流高压串级装置能产生出更高的直流试验电压。如图1-1所示。

图1-1 直流耐压试验原理接线图
1.1 交流高压电源
这部分包括升压变压器T2、调压变压器T1和控制保护装置等。
T1--调压变压器,输出电压0~400V,容量为20kVA。
T2--升压变压器,采用武汉研创高科生产的YDJ系列试验变压器,输入电压380V,输出电压300kV(具体电压的高低根据所选择的串级直流高压发生器的级数来定),变压器容量要大于10kVA。
1.2 串级直流倍压整流
以选择1000kV多级直流高压发生器,考虑到试品为大电容设备,在设备选择时主要考虑设备的容量,对电压脉动系数可以不做特别要求,要求输出电流大于10mA。
1.3 保护电阻R
直流耐压试验在加压的瞬间会产生较大的充电电流。电流绝缘击穿的瞬间,回路内会有很大的击穿电流流过,试验结束后放电时电缆上大量剩余电会在很短时间里流入大地。这些电流如果不加限制就会损坏试验变压器、硅堆、微安表等,陡度很大的电流谐波也会导致电缆绝缘的损坏,因此试验回路中必须串联限流电阻将电流限制在允许的范围内。
一般采用水电阻作为保护电阻。其选用原则是:当试品击穿时,既能将短路电流限制在硅堆的允许电流之内,又能使电源控制箱内的过流继电器可靠动作,同时,电阻表面在全电压作用下不能闪络,而且正常工作时水电阻上的压降不应过大(约在试验电压的1%以下)。水电阻的阻值根据直流试验电压而定,一般取10/V。本试验当中水电阻阻值为R=77510=7.75M。
1.4 滤波电容C
滤波电容的作用是使试验电压的波形平稳,一般取0.1F左右。如无合适的电容器,可用几个电压较低的电容器串联,以提高耐压强度。对于电缆 这样电容量较大的试品,滤波电容可以省略。
2、试验方法
2.1 试验准备工作
试验前在试验地点周围做好防止闲人接近的措施,如设置围栏、挂警告牌等;断开被试电缆与其他设备的一切连续,并将各芯线充分对地放电5~10分钟;不接试验设备的一端应派人看守,监视有无异常现象发生。
2.2 确定耐压试验电压和时间
根据电缆的种类和电压等级,确定试验电压和耐压时间,并按试验电压的25%、50%、75%和100%将其分为四个等分。
2.3 试验接线
按图1-1进行试验接线。由于电线的击穿强度与所加的电压极性有关,正极性的击穿电压值比负极性约高10%,所以一般都采用负极性进行直流耐压试验,将负极接电缆芯线。
接线对应使高压输出连线尽量缩短,绝缘良好,与地面与接地体保持足够的距离,微安表的安装应牢靠。接线完成后,须经第二人复查,确认接线正确、接地可靠、调压器处于零位、微安表已处于最大量程、各安全措施完备后,方可开始试验。
2.4 空载检查
由于试验设备本身对地有一定的泄漏电流,如果此值过大,将会影响试验结果,因此需测出试验设备空载时的泄漏电流。其方法是:不接被试品,逐渐升高直流输出电压,使之分别达到25%、50%、75%、100%规定试验电压值,读取各电压点上的泄漏值。然后,降压到零,断开电源,使电缆放电。
2.5 正式试验
接上被试电缆芯线,其余两相电缆芯线仍然接地。合上电源,逐渐升高电压,并在以上电压点上各停留1min,读出并记录各1min末和耐压结束时的泄漏电流值及环境温度、湿度和天气情况。
在升压时,绝缘良好的电缆由于电缆电容充电,电流示值将剧烈上升。而在电压停留阶段,电流逐渐下降,趋于稳定。随着电压的逐段升高,泄漏电流大致成比例增大。
有缺陷的电缆,在试验过程中会出现以下现象:升压时泄漏电流不成比例地急剧上升;在升压停留阶段,泄漏几乎不随时间衰减,甚至反而增大;泄漏电流值不稳定;泄漏电流值相间不平衡。
发现电缆缺陷后,原则上应查明故障原因,找出故障点。一船采取提高试验电压或延长试验时间来使电缆击穿,然后寻找故障点。
2.6 降压放电
每相试验结束,应将调压器降到零,并切断电源,通过绝缘放电棒,将芯线先经约80k/kV的限流电阻反复几次对地放电直至无火花后,再直接接地放电。
在改接线时,高压出线端应始终接地,以防意外。再次试验前,应注意解除出线端上的接地线。
2.7 全部试验完毕
应将电缆对地短接,充分放电5~10min才能撤去另一端的看守人员,进行恢复工作。
3、成套直流高压试验仪器
3.1 直流高压发生器的特点
直流高压发生器采用串级式中频多倍压电路产生高压直流电,应用脉冲宽度调制技术(PWM),电压调节的线性和稳定性得到了提高。由于采用了高频率开关脉冲宽度调制,可以选用较小的电感、电容进行滤波,使滤波回路的时间常数减小,有利于自动调节回路的品质和输出电压波形的改善。多倍压串联式直流高压发生器原理框图见图1-2。

图1-2 多倍压串联式直流高压发生器原理框图
逆变器电路采用了IGBT大功率晶体管,中频变压器的输出功率可达到几百甚至数千瓦。由于IGBT大功率晶体管的开通与关断时间与一般大功率晶体管的少了一个数量级,而且具有自关断特性,精简了部分电子元件,电路更合理,因此损耗也更小。
应用电子技术制成的成套直流高压试验仪器,具有体积小、重量轻、携带和使用方便等优点。
4、成套直流高压试验装置的操作
4.1 使用前准备
检查设备外观无破损,连接线无断路和短路;将控制箱和倍压筒放在合适位置,接好电源线和连接电缆线,工作接地线、保护接地线和放电棒接地线均应单独接到被试电缆线路的接地线上(即一点接地),严禁接地线相互串联;此时电源开关应在断开位置,调压电位器应在零位,过电压保护整定为1.15~1.20倍的试验电压。
4.2 空载验证过电压整定值
先将连接线被试电缆的引线悬空,接通电源开关,此时绿灯亮;按红色按钮,红灯亮,表示高压接通;顺时针调节调压器能升至所需电压,记录电流表读数,检查试验装置无异常后将调压器电位器回到零位,按绿色按钮,切断高压关闭电源。
4.3 直流耐压和泄漏试验
将直流高压发生器的高压引线连接到与被试电缆导体,接通电源进行升压,按试验标准进行直流耐压试验并读取泄漏试验。升压时要密切监视电流表的充电电流不能超过试验装置的最大工作电流,升压速度一般控制在3~5kV/s。加到规定试验电压后,按规定在第一分钟和最后一分钟记录电流表读数。测量完毕后,调压电位器逆时针回到零位,按下绿色按钮。需再次升压时按红色按钮。

图1-3 直流耐压试验的接线图
4.4 保护动作后的操作
在试验过程中发现红灯灭,绿灯亮,直流高压下降,即为有关保护动作。此时应关闭电源开关,将调节器压电位器退回零位。待1min以后控制箱内低压电容器充分放电后再次打开电源,重新进行空载试验并检查保护动作的原因。
5、直流耐压试验对绝缘缺陷的检测能力
直流耐压试验是检验电缆耐压强度、发现纸绝缘介质受潮、机械损伤等局部缺陷的有效手段。与交流耐压试验比较,直流耐压试验的优点是:
5.1 试验设备轻小
对长的电缆 线路进行耐压试验时,不需要电源提供无功,所需试验设备容量小,直流耐压试验设备相对交流耐压来说比较轻便,可能在现场进行预防性试验,如果做交流耐压试验,需要较大容量的试验设备提供所需的电容电流。
5.2 对绝缘损伤较小
在交流耐压试验中,由于电压不断改变方向,气隙放电往往会促使有机绝缘材料的分解、老化变质,降低其绝缘性能,使局部缺陷逐渐扩大。而当直流作用电压较高以至于在气隙中发生局部放电后,放电产生的电荷所感应的反电场将使在气隙里的场强减弱,从而抑制了气隙内的局部放电过程,因此,直流高压对被试品绝缘的损伤较小,避免了交流高压对电缆绝缘的永久性破坏作用。但直流耐压试验在一定程度上还带有非破坏性试验的性质。
5.3 可以发现交流耐压试验不易发现的一些缺陷
因为在直流电压作用下,绝缘中的电压按电阻分布,绝缘完好时,电阻率较高的绝缘油承受较高的试验电压,电场分布较合理,不会造成新的绝缘损伤;但是当电缆绝缘有局部缺陷时,大部分试验电压将加在与缺陷串联的未损坏的绝缘上,使缺陷更易于暴露。一般说,直流耐压试验对检查绝缘中的气泡、机械损伤等局部缺陷比较有效。
5.4 电缆直流耐压试验时,电缆导体接负极。这时如果电缆绝缘中有水分存在,将会因电渗透作用使水分子从表层移向导体,发展成为贯穿性缺陷,易于在试验电压下击穿,因而有利于发现电缆绝缘缺陷。
5.5 绝缘击穿与电压作用时间的关系不大,一般缺陷在加压后几分钟内可以发现。