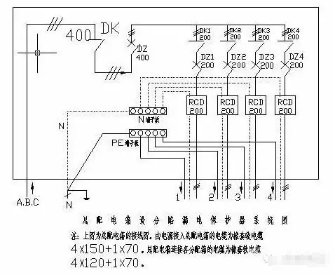
漏电保护器接线图

漏保接线错误方式
1、用于支线保护时,各支线应有各自的专用零线,且两相邻支线路的零线不得相连。如果将两分支线路相连,零线中的电流互流,破坏零序电流互感器内的工作电流平衡,使漏电保护器发生误动作。如果想就近利用动力分支线的零线作为照明分支线的零线,则会造成动力分支线的漏电保护器动作。
2、一个用电设备只能接在一条保护支路内,不得跨接在两条分支回路内,不得接在零序互感器的前面,也不得采取一线一地制供电,否则,会导致漏电保护器误动作
3、装有漏电保护器和未装漏电保护器的用电设备,不得共用一个接地装置。例如,当电机M1的绝缘损坏而外壳带电时,电机M2的外壳也带电,由于电流没有经过漏电保护器,所以未起到漏电保护的作用。
4、单相负荷应尽可能均衡分配。如果分配不均(如一相的线路偏长,设备集中),则负荷较重的一相,其漏电电流偏大,因而干线的三相不平衡漏电电流增大,达到一定值时就会使干线首端的漏电保护器动作。
5、被保护的线路(包括工作零线)应全部穿过零序电流互感器和漏电保护器的贯穿孔,不得用三极漏电保护器代替四极三相四极、漏电保护器。如果是三相五线制,则保护地线不得穿过漏电保护器的互感器,而必须跨接到第一极漏电保护器前端(进线端)的零干线上或重复接地极上。

漏保接法注意事项
1、漏电保护器负载侧的中性线,不得与其他回路共用。
2、漏电保护器标有负载侧和电源侧时, 应按规定安装接线,不得反接。
3、安装带有短路保护的漏电保护器, 必须保证在电弧喷出方向有足够的飞弧距离。飞弧距离大小按漏电保护器生产厂家的规定。
4、安装时必须严格区分中性线和保护线, 三极四线式或四极式漏电保护器的中性线应接入漏电保护器。经过漏电保护器的中性线不得作为保护线,不得重复接地或接设备外漏可导电部分。保护线不得接入漏电保护装置。
附:漏电保护器常见跳闸原因及处理方法
1,安装不良
如果漏电保护器在安装时各接线柱未接牢固,时间一长,往往会导致接线柱发热、氧化,使电线绝缘层被烧焦,并伴有打火和橡胶、塑料燃烧的气味,造成线路欠压使漏电保护器跳闸。
2,漏电保护器本身有问题
用户在购买漏电保护器时,应尽量到信誉好的定点厂家或商店购买,千万不要图一时便宜向一些个体户购买三无漏电保护器,这样往往得不偿失。
3,漏电保护器与负载不匹配
随着家用电器得不断普及,许多家庭的负载电流已远远超过线路上漏电保护器的额定电流,造成漏电保护器跳闸。这种情况一般多发生在空调、电水壶等大功率家电的使用,一般只要重新换一只匹配的漏电保护器,问题便可迎刃而解了。
4,负载或线路漏电、短路
如果是家电等负载漏电或短路而使漏电保护器跳闸,只要拔掉有故障的家电插头,便可以重新送电;如果是线路漏电或短路,相对来说比较棘手,可先解决一些简单故障,让部分线路暂时恢复送电。
具体做法为:
当漏电保护器跳闸后, 首先把各分路断开,再把漏电保护器送上,当送上某一分路时漏电保护器即跳闸,则可以断定此分路有故障。只要断开此分路,其他各分路就可以恢复用电。此时,如果发现某房间的插座或灯具没电,故障往往就在这一带。
5,电源进线电压过高
这种情况虽不多见,但十分危险,一般发生在三相四线制供电的住宅楼(现在的住宅楼普遍这样供电)。由于三相不平衡或老鼠等小动物的捣乱,使电源总零线断路发生电压漂移,相电压可由220V变成380V,会使漏电保护器跳闸。
辨别这种故障,一是用电笔测一下进线是否都带电;
二是看看左邻右舍是否也有跳闸现象,如果有则大多数属于这种故障;
三是用万用表测一下进线电压。
此时,请千万不要强行合漏电保护器开关,否则极易造成家电烧坏,严重时还会导致火灾等不良后果。另外,进线遭受雷击也会造成过电压引起漏电保护器跳闸。
总之,一旦家用漏电保护器跳闸,检查时应遵循先简后繁的原则。首先察看安装是否良好,其次检查电源进线电压是否偏高(看看左邻右舍)和漏电保护器本身有无问题(卸掉出线送电),再有就是看漏电保护器能否承受家电的负载,最后再查看是否负载、线路漏电或短路。
如果实在查找不出来原因,就不要盲目乱动,应请专业人员来查。否则把线路搞乱反而不利于排除故障。