我们通常所说的三相不平衡都是指三个火线中每根火线上所带负载功率不一致。我们都知道功率的计算公式为:

从功率计算公式可以看出,功率大小和电压、电流、功率因素有关。三相电压波动及偏差很小,几乎可以认为是不变的。一般三相线路中两相设备占比少,所以三相功率因素也几乎一致。所以可以通过监测三相电流来判断三相是否平衡。

图示:配电柜三相电路表
在低压配电柜上,我们经常可以看到三个电流表。从这三个电流表的数值就可以反映出三相功率是否平衡。实际上由于三相电流非常大,电流表不可能造那么大,所以配电柜上的电流表都是接在电流互感器上。

图示:母线排接电流表的互感器

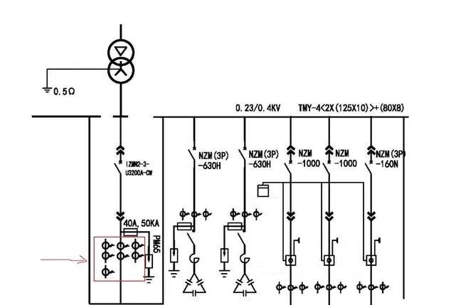
图示:低压配电柜系统图中的电流互感器
根据相关标准,三相配电线路要求电流不平衡度控制在10%以内,当三相电路偏差超过10%就需要进行处理。
当三相不平衡时,我们要根据相应的原因来选择合适的处理方法。一般三相不平衡产生的主要原因有三相负荷分配不平均,接地故障,某相断线,谐振,各相功率因素不一致等。
1. 三相负荷分配不均
我们都知道三相线路中有很大单相或者两相负载,并且它们用电是一直波动的。这个一般是设计上的问题。
比如某宿舍楼一楼全部是A车间员工,并且采用A相火线;二楼全部是B车间员工,并且采用B相火线;三楼全部是C车间员工,并且采用C相火线。当A车间下班时,一楼用电激增,而二楼和三楼用电却很少。同样,当B车间下班时,二楼用电激增,而一楼和三楼用电却很少。这样就造成三相不平衡。那么我们可以把相同时间段下班的员工,分散安排在各层即可解决这个问题。
2. 接地故障/断线
当某一相出现接地故障或者断线时,那么该相的电压会下降非常多。三相电压不平衡,那么电流自然也就不平衡了。
3. 谐振
随着工业的飞速发展,非线性电力负荷大量增加,某些负荷不仅产生谐波,还引起供电电压波动与闪变,甚至引起三相电压不平衡。这种情况就需要采用滤波器了。
4. 各相功率因数不一样
现在三相线路中有很多两相负载,比如单相380焊机等。它们的存在会造成各相功率因素不一样,那么各相电流也会不一致。如果是这种原因导致三相不平衡,可以采用智能补偿。它可以同时补偿三相线路的功率因素,也可以单独对某一相进行功率补偿。实际应用表明,可使三相功率因数补偿到0.95以上,使不平衡电流调整到变压器额定电流的10%以内。
三相不平衡会造成中性线电流变大,中性线电位升高,线路损耗增加。特别是如果中性线断线,就会造成某相电压升高很多,某相电压降低很多。电压升高的一相上的负载会烧坏,电压低的一相设备无法工作。
三相不平衡也会造成变压器损耗的增加,因为配电变压器的功率损耗是随负载的不平衡度而变化的。三相不平衡也会造成三相电压偏差变大,从而让三相用电设备效率变低。