通常的工程经验对比结果,无梁楼盖是一种比较省成本,且比较省层高的一种地下室顶板方式,但是由于各地无梁楼盖出现事故的频率以及规范对地下室顶板嵌固端梁板体系的要求,无梁楼盖使用范围较少。所以为了既满足规范要求,又满足经济性的要求,有的设计院在工程实践中采用了主梁大板+柱帽的结构形式。

在5.5X5+5.5X6.3的大小柱网组合,顶板覆土1.5m,无消防车的条件下,下图为各种地库顶板的典型截面。

5.5x5+5.5x6.3柱网组合,5m车位柱网,6.3车道柱网

典型结构构件尺寸

无梁楼盖典型配筋方式

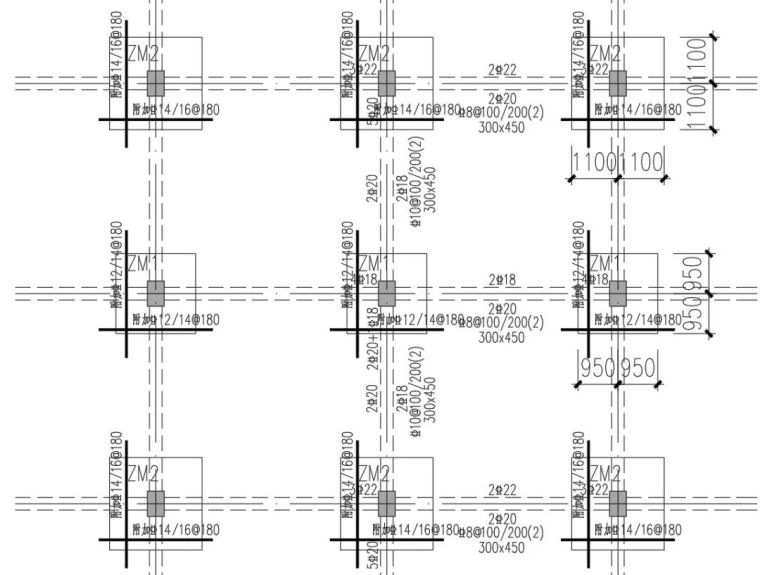
主梁大板典型配筋方式

主梁大板+柱帽典型配筋方式
无梁楼盖及主梁大板+柱帽采用弹性板计算结果,主梁大板采用刚性板计算结果,以上为各种结构形式的典型配筋方式。
下图是某甲方成本部在给定条件下的造价测算结果,通过结果来看,是主梁大板+柱帽的结构体系更具有经济性。

其实可以这么理解,主梁大板+柱帽这种结构体系,当梁的刚度大时,柱帽就是主梁大板体系中梁端的一种加强措施,当梁的刚度小时,梁就是无梁楼盖中板的一种加强措施。
在工程实践中总结,在工程实践中采用新的方式方法,用结构理论和工程经验去补充、完善、修正结构软件出来的结果。这应该也是我们结构工程师的任务吧。