一、 被动建筑简介
1.被动建筑的概念
根据资料显示,最早被动式建筑的名词来源于德语Passivhaus,翻译为中文就称为被动式建筑或称为被动式房屋。此种建筑概念由瑞典隆德大学的Bo Adamson教授和德国被动式房屋研究所(Passivhaus Institut)的Wolfgang Feist博士在1988年5月确立而逐步形成的。并确立了自身的建设和认证标准。
通常,以非机械电气设备干预,利用建筑朝向布置、遮阳措施的设置、高性能的建筑围护结构的应用、通风口的合理设计等方法,来降低采暖、空调,通风等系统的建筑能耗的技术,称之为被动建筑技术。而根据被动建筑技术设计,并满足被动式房屋认证标准的建筑就称为被动式建筑。被动式建筑被确立的根本目的是利用非常少的能耗,将室内温度、湿度、空气等指标调节到人体感到舒适的标准环境。
2.被动式建筑的认证标准
根据德国被式房屋认证机构PHI的认证标准,被动式建筑设计主要的指标涉及以下几个方面:
①年供暖(制冷)需求计算值15kwh㎡year;
②供暖负荷峰值计算值10w/㎡;
③年一次能源消耗计算值120kwh/㎡year;
④通风交换律测量值500.6;
⑤年超温频率25℃10% 室温保持在20℃26℃;
⑥室内相对湿度 40%-60%;
由上述的指标可以看出,被动式建筑主要是关注居住者的感受,所以其标准主要是侧重于居住环境的舒适度和室内空气质量(IAO)。具体来说,就是一栋被动式建筑,必须保证室内空气的清晰,无冷凝现象,有适合的温度,良好的气密性并有足够的经济性。如果从建筑节能角度来说,被动式建筑需要在保证室内居住环境的前提下,进行建筑节能设计。
3.被动式建筑的发展
被动式建筑由于其高节能性、对居住者的良好感受,因此,在国内的发展比较迅猛。很多业主和建筑师都在尝试实践被动房项目。相应的地方标准和规范也逐渐出台,为被动建筑的发展提供良好的平台。
目前我国个别省份也制定并实施了被动房的相关设计标准、图集。例如河北省住房和城乡建设厅批准实施的河北省工程建设标准设计《被动式低能耗居住建筑节能构造(DBJT02-109-2016)》。与PHI所规定的指标相比,特别在窗户的性能提出了具体的指标要求。具体指标如下:窗户整体性能:K1.0W/m2k,其中玻璃K0.8W/m2k;窗框K1.3W/m2k。
二、 被动建筑中门窗幕墙的设计要点分析
为完成被动建筑的高性能,作为建筑的外表皮,门窗幕墙的设计就需要有特别的考虑。所有的设计都为了让整个建筑的外衣能够帮助建筑实现被动建筑的标准和要求。因此,被动建筑的门窗幕墙设计除了必须的自身性能要求外,还应关注以下方面。
1、选择合理的保温材料,除了要控制传热系数以外,还应控制好保温面的完整性,避免其它构造对保温层连续性产生影响;
2、选择合理的密封构造,做好门窗幕墙边部收口的密封处理,控制好气密性能;
3、设置合理的遮阳,充分利用遮阳系统对建筑物的得热影响;
4、控制好结露问题,尤其是保温材料的两端温差比较大,易有结露的风险;
5、尽量减少热桥,不论是安装产生的还是构件产生的热桥都应该尽量控制,避免其对整个幕墙热工性能产生不良影响;
三、 通州当代MOMA博物馆被动建筑的简介
当代MOMA建筑艺术博物馆位于北京市通州区,建设方为北京润锦房地产开发有限公司。该项目位于寒冷气候区,总建筑面积为1603㎡,地上建筑面积为1139㎡,地下建筑面积为464㎡;地上3层,地下1层;建筑高度13m;外立面幕墙面积约2300平米。建筑的主要功能为建筑艺术、技术展示。建筑设计由清华大学建筑设计研究院完成;节能设计由中国建筑科学研究院有限公司环能院高性能建筑设计研究中心完成。项目效果面图如图1、图2、图3所示。



1. 建筑表皮的基本情况
当代美术馆外形比较复杂,除南立面是大面积玻璃幕墙以外,其它立面和屋面都是双曲面造型,通过石材板岩的搭接形成双曲的外形。建筑屋面的顶部形状近似盆型,屋面上设置观景平台。屋面低洼处设置天沟和排水口。天沟和排水设置在石材板下,不影响建筑外观。建筑屋面的双曲造型由主体钢结构完成。
南立面采用通透的全玻璃幕墙体系,整块通高的玻璃高度13m。西、北、东立面和屋面采用石材板岩叠型构造的形式。叠型石材板岩厚度为15mm,规格为250mm宽250mm高(石材可视部分)。石材规格比较小,而且是开放式体系,因此在石材内层设置防水层。
屋面观景平台出入口、建筑入口位置采用玻璃幕墙配合高节能高密封的开启门。建筑立面设置被动窗,窗套为天圆地方的铝板造型。屋面设置成品玻璃天窗,附带遮阳系统。
2. 本被动建筑幕墙屋面体系设计应考虑的问题:
(1)南向全玻璃幕墙,受玻璃幕墙边缘形状所限,为确保建筑外观方案效果的良好实现,无法设置外遮阳,需要建筑设计通过其它手段减小对整体的影响。
(2)本工程围护结构形状复杂,种类较多,包括玻璃幕墙、石材屋面、石材幕墙、构件式幕墙、门窗、UHPC幕墙等多种体系。
(3)需要解决好整个外围护幕墙的整体气密性能。
(4)石材板瓦外立面系统、全玻璃幕墙、构件式玻璃幕墙需要金属龙骨固定,金属龙骨穿透保温层对保温性能影响比较大,因此,必须减少连接点对传热性能的影响。
(5)外窗采用被动认证的窗,窗套形状是外圆内方,收边板的做法比较特殊。
3. 本工程门窗幕墙的传热要求
本项目由建研院建筑节能所提供节能设计,建研院对维护结构保温性能要求如下:外墙采用250mm岩棉外保温;平均传热系数0.16W/m2K,屋面350mm岩棉保温,平均传热系数0.129 W/m2K。
外窗采用铝包木三玻两腔高保温隔热性能外窗,传热系数0.94 W/m2K,南向大立面的全玻璃幕墙传热系数0.77 W/m2K,SHGC值0.3。
外门采用铝包木高保温隔热性能、高气密性门,传热系数0.94 W/m2K。
天窗采用高保温隔热高气密性智能天窗,传热系数0.5 W/m2K,带外遮阳。
四、 作为建筑维护结构的幕墙和屋面的设计
1. 石材幕墙的设计
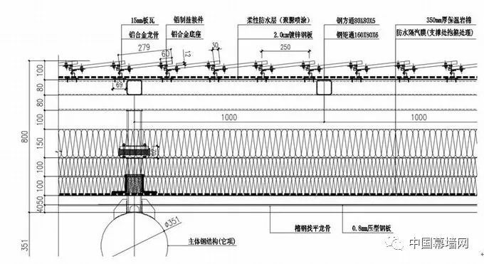
本项目屋面主体为钢结构,屋面及外立面表面由石板瓦搭接而成,叠拼石材幕墙和屋面是整个建筑外围护的主要部分,根据建筑节能设计的要求,幕墙和屋面部分的保温层厚度不同。但构造做法是基本一致的。石材板瓦的建筑效果见图4、图5。


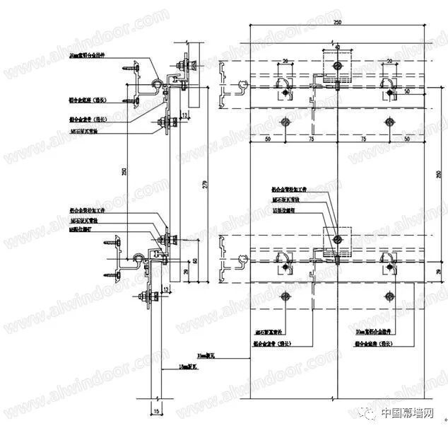
石材板瓦的固定采用挂接定位,上端石材搭接在下端石材上,并通过下部限位的形式连接。其基本节点见图6。挂接和固定示意见图7。


建筑的入口位置双曲面弯曲明显,和主立面的交接时,石材的排布方式会影响整个建筑的分格效果。如果把立面的分格直接投影,会让石材板瓦的加工变得十分复杂。因此,我们尝试了其它多种分格方式,分别见图8、图9、图10、图11。通过对比,建筑师最终确定采用图11的分格方式。




在大立面上,相邻石材板瓦转角不大,通过标准的做法完全可以实现。但是在入口位置相邻搭接的转角就会比较大,板的翘曲比较明显。主入口的排布方式使得石材的控制线会产生向上的弯曲,由于石材板瓦材料无法弯曲成型,因此,相邻石材的搭接是否顺畅,是否会由于角度的变化导致对人视效果产生影响,都必须慎重考虑才行。我们通过实际的放样,确定石材板岩的安装构造可以适应这种扭转,见图12示意:

2. 石材幕墙密封和热桥设计
为满足被动建筑的要求,除了设置比较厚的保温材料以外,还分别进行了以下特殊设计:
1) 保温层的外侧设置防水层,保温层的内侧设置隔汽层。防水层是实现建筑的防水功能。隔汽层的设置是为了避免室内的温湿空气进入保温材料引起结露。但是,在保温层的外侧其防水层要在局部开敞,以便保温材料能和室外进行空气交换。
2) 金属支撑龙骨穿透了隔汽层,穿透部位需做处理以提高密封性能。见图13示意。

3) 金属支撑龙骨穿透了保温层,会形成热桥。热桥是影响近零能耗建筑设计能否达标的关键因素之一,因此,如何解决好支撑点的热桥问题是非常重要的。我们从两个方面进行优化。
其一是在支座中间增加橡胶垫块。其二是减少支撑点数量。
图14为龙骨支座的隔热垫块详图,通过硬质橡胶垫块将原有的圆形钢管断开,使钢管的热桥变成四个螺栓的点状热桥。该处隔热垫块选取的厚度为30mm,根据建研院提供的结果,其热桥值为0.13W/mK。满足了建筑节能的要求。

整个石材幕墙的龙骨支座数目如果可以减少,也就相应的减少了热桥的影响。因此,我们在设计中加大了龙骨的规格,使得龙骨的跨度增大,从而减少了支座的数量。龙骨的规格从120805的钢方通调整为160806,支撑件的的总数由380个降到了287个,龙骨分布和支撑点的位置见图15示意。根据建研院的分析,这一优化使得建筑整体热负荷的减少了0.6kWh/m2a。

3. 全玻璃幕墙节点设计
建筑主立面是通高的全玻璃幕墙,建筑效果和立面图见图16、图17示意。


全玻幕墙的高度为13m左右,玻璃采用吊挂的方式连接。由于建筑的外观要求可视的玻璃边线为弧形,但这给玻璃加工带来很大的困难,我们经过优化,把玻璃边线调整为折线或者斜线,通过外侧的UHPC板找型,以实现建筑效果。玻璃的立面见图18。

全玻璃幕墙的玻璃吊挂在屋面的主体钢结构上。每个吊挂钢架都是一个热桥。钢架的布置方式根据热工的需求进行了调整,优化前的设计是常规的做法,钢架穿透了保温,存在严重热桥(红色部分为钢架)。优化后钢架连接件能够完全被保温覆盖(红色部分为钢架),热桥减弱。根据建研院提供的参数,其热桥值为0.165W/(mK)。优化前和优化后的节点分别见图19和图20。


4. 外窗做法
建筑外窗采用被动认证的产品,由森鹰提供。比较特殊的是外窗的窗套造型比较复杂,为内方外圆的铝板造型。由于铝板造型洞口深度较大,对太阳辐射形成了一定程度的自遮挡效果,因此被动窗不再设置外遮阳。图21表示了外窗的剖面做法,图22表示了铝板窗套的构件三维示意。


五、 结束语
通州当代MOMA建筑艺术博物馆幕墙工程的设计在中国建筑科学研究院有限公司环能院高性能建筑设计研究中心的要求下,和清华院建筑设计院的建筑师充分沟通,幕墙的设计在不断调整和不断优化中完成。最终提交的幕墙施工图即满足了建筑效果要求,也实现了幕墙的高节能要求,为业主提供了一个性能优异、外形美观、设计前卫的博物馆。