规范网
首页
资料
知识
标准
当前位置:
规范网
知识
六个关于混凝土热点技术的问题解答
结构设计知识:六个关于混凝土热点技术的问题解答
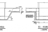
地下室底板局部降标高需要放坡吗
结构设计知识:地下室底板局部降标高需要放坡吗
这四个方面容易造成混凝土亏方
结构设计知识:这四个方面容易造成混凝土亏方
七个混凝土坍落度损失过快的原因
结构设计知识:七个混凝土坍落度损失过快的原因
八个混凝土养护误区,你都知道吗
结构设计知识:八个混凝土养护误区,你都知道吗
如何设计地下连续墙
结构设计知识:如何设计地下连续墙
结构计算中的沉降计算与收缩
结构设计知识:结构计算中的沉降计算与收缩
哪些因素影响混凝土碳化深度
结构设计知识:哪些因素影响混凝土碳化深度
砼裂缝的控制只是为了防水
结构设计知识:砼裂缝的控制只是为了防水
基于建筑产业现代化的装配式建筑发展
结构设计知识:基于建筑产业现代化的装配式建筑发展
利用坍落度来判断混凝土质量
结构设计知识:利用坍落度来判断混凝土质量
十个在框架及剪力墙结构设计中常见的问题
结构设计知识:十个在框架及剪力墙结构设计中常见的问题
超高层建筑如何设计才最经济
结构设计知识:超高层建筑如何设计才最经济
了解世界各地的街道店招设计管理,值得学习!
结构设计知识:了解世界各地的街道店招设计管理,值得学习!
39条土建难点项目总结,工程人都应该知道
工程造价知识:39条土建难点项目总结,工程人都应该知道
初步评估连体结构连接体的极限承载力
结构设计知识:初步评估连体结构连接体的极限承载力
非洲十大超高层建筑!你知道几个
结构设计知识:非洲十大超高层建筑!你知道几个
为什么桩顶箍筋要加密呢
结构设计知识:为什么桩顶箍筋要加密呢
主流装配式建筑结构体系的11种参数详解
结构设计知识:主流装配式建筑结构体系的11种参数详解
在审查结构施工图中应重点关注的问题
结构设计知识:在审查结构施工图中应重点关注的问题
首页
上一页
133
134
135
136
137
138
139
140
下一页
尾页