
比较详细的恒压供水电气图(共14张)

比较详细的恒压供水电气图(共14张)

比较详细的恒压供水电气图(共14张)
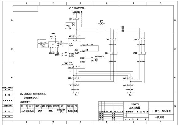
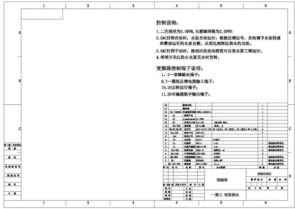
本资料为比较详细的恒压供水电气图(共14张),其包含的内容为平面图,剖面图,立面图节点图纸等,比较齐全,可供设计师下载参考。

比较详细的恒压供水电气图(共14张)

比较详细的恒压供水电气图(共14张)

比较详细的恒压供水电气图(共14张)
本资料为比较详细的恒压供水电气图(共14张),其包含的内容为平面图,剖面图,立面图节点图纸等,比较齐全,可供设计师下载参考。
声明:资源收集自网络或用户分享,仅供学习参考,如侵犯您的权益,请联系我们处理。
不能下载?报告错误