规范网
更新
当前位置:
规范网
资料
内容详情
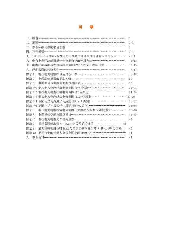
精编电缆选型手册
精编电缆选型手册
精编电缆选型手册
精编电缆选型手册
电缆选型手册,帮助您准确、快速选择电缆和核定电缆的载流量,方便、实用。
加入收藏
下载文件
声明:资源收集自网络或用户分享,仅供学习参考,如侵犯您的权益,请联系我们处理。
不能下载?报告错误
下页:
pkpm之吊车荷载数据如何输入
相关推荐
皖2016D101图集 铝合金电力电缆应用图集(完整版、文字可搜索复制)
电力电缆应用技术问答
电力电缆应用技术
建筑用双层共挤绝缘辐照交联电线电缆应用技术规程 (DB37/T 5054-2016)
低压输配电系统分支技术及分支电缆应用分析
精编电缆选型手册
下载文件
免费下载
标签
食品标准
海洋规范
旅游规范
包装标准
单位总结
宁夏回族自治区标准
过滤器标准
建筑标准
行政总结
压力容器标准
城镇建设规范
11zj901
内蒙古自治区标准
矿泉水标准
疏水阀标准
气象规范
校车标准
地质矿产规范
焊接标准
教师发言稿
止回阀标准
垫圈标准
石油天然气规范
管件标准
物资管理规范
iec标准
应急管理规范
手册