当前位置:规范网标准国家标准内容详情

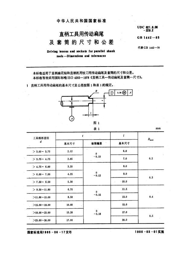
直柄工具用传动扁尾及套筒的尺寸和公差 (GB 1442-1985)

下载
免费下载 GB 1442-1985

直柄工具用传动扁尾及套筒的尺寸和公差 (GB 1442-1985)

标准号GB 1442-1985状态

发布时间:none

实施时间:none

直柄工具用传动扁尾及套筒的尺寸和公差基本信息

标准号:GB 1442-1985

标准名称:直柄工具用传动扁尾及套筒的尺寸和公差

下载格式:PDF

标准大小:58.66 KB

直柄工具用传动扁尾及套筒的尺寸和公差 (GB 1442-1985)

声明:资源收集自网络或用户分享,仅供学习参考,使用请以正式版为准;如侵犯您的权益,请联系我们处理。

不能下载?报告错误