当前位置:规范网标准国家标准内容详情

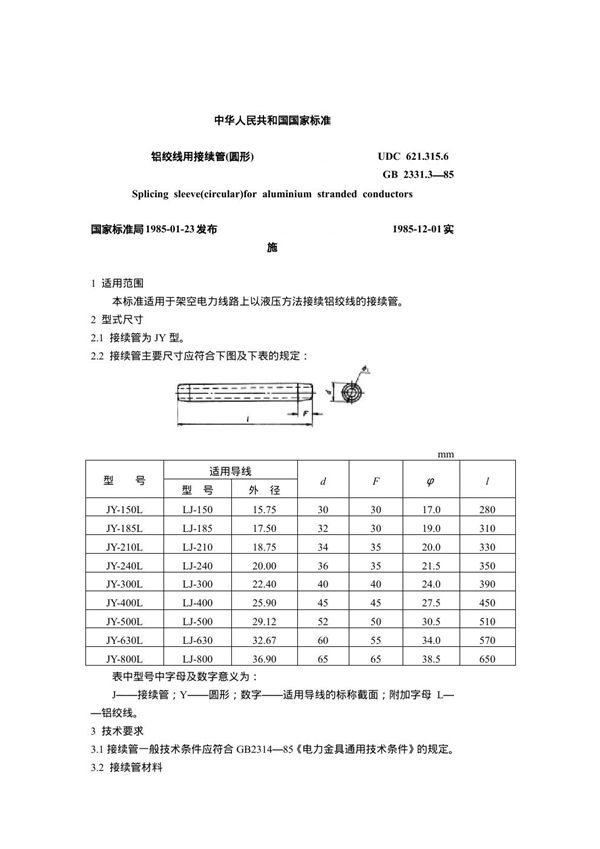
铝绞线用接续管(圆形) (GB 2331.3-1985)

下载
免费下载 GB 2331.3-1985

铝绞线用接续管(圆形) (GB 2331.3-1985)

标准号GB 2331.3-1985状态

发布时间:none

实施时间:none

铝绞线用接续管(圆形)基本信息

标准号:GB 2331.3-1985

标准名称:铝绞线用接续管(圆形)

下载格式:PDF

标准大小:18.69 KB

铝绞线用接续管(圆形) (GB 2331.3-1985)

声明:资源收集自网络或用户分享,仅供学习参考,使用请以正式版为准;如侵犯您的权益,请联系我们处理。

不能下载?报告错误