当前位置:规范网标准国家标准内容详情

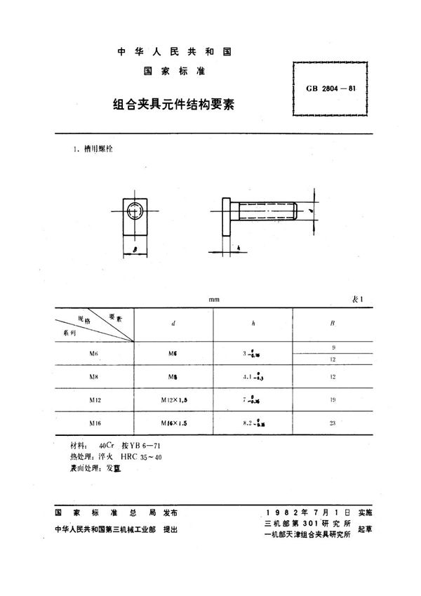
组合夹具元件结构要素 (GB 2804-1981)

下载
免费下载 GB 2804-1981

组合夹具元件结构要素 (GB 2804-1981)

标准号GB 2804-1981状态

发布时间:none

实施时间:none

组合夹具元件结构要素基本信息

标准号:GB 2804-1981

标准名称:组合夹具元件结构要素

下载格式:PDF

标准大小:104.59 KB

组合夹具元件结构要素 (GB 2804-1981)

声明:资源收集自网络或用户分享,仅供学习参考,使用请以正式版为准;如侵犯您的权益,请联系我们处理。

不能下载?报告错误