当前位置:规范网标准国家标准内容详情

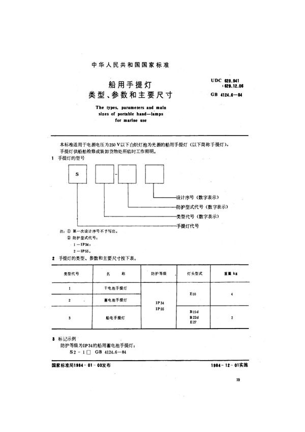
船用手提灯类型、参数和主要尺寸 (GB 4124.6-1984)

下载
免费下载 GB 4124.6-1984

船用手提灯类型、参数和主要尺寸 (GB 4124.6-1984)

标准号GB 4124.6-1984状态

发布时间:none

实施时间:none

船用手提灯类型、参数和主要尺寸基本信息

标准号:GB 4124.6-1984

标准名称:船用手提灯类型、参数和主要尺寸

下载格式:PDF

标准大小:78.9 KB

船用手提灯类型、参数和主要尺寸 (GB 4124.6-1984)

声明:资源收集自网络或用户分享,仅供学习参考,使用请以正式版为准;如侵犯您的权益,请联系我们处理。

不能下载?报告错误