当前位置:规范网标准国家标准内容详情

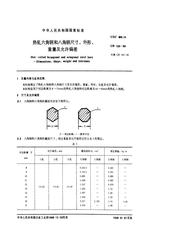
热轧六角钢和八角钢尺寸、外形、重量及允许偏差 (GB 705-1989)

下载
免费下载 GB 705-1989

热轧六角钢和八角钢尺寸、外形、重量及允许偏差 (GB 705-1989)

标准号GB 705-1989状态

发布时间:none

实施时间:none

热轧六角钢和八角钢尺寸、外形、重量及允许偏差基本信息

标准号:GB 705-1989

标准名称:热轧六角钢和八角钢尺寸、外形、重量及允许偏差

下载格式:PDF

标准大小:103.28 KB

热轧六角钢和八角钢尺寸、外形、重量及允许偏差 (GB 705-1989)

声明:资源收集自网络或用户分享,仅供学习参考,使用请以正式版为准;如侵犯您的权益,请联系我们处理。

不能下载?报告错误