当前位置:规范网标准国家标准内容详情

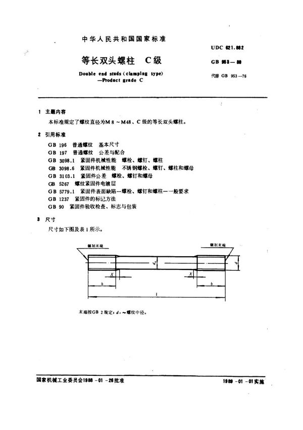
等长双头螺柱 C级 (GB 953-1988)

下载
免费下载 GB 953-1988

等长双头螺柱 C级 (GB 953-1988)

标准号GB 953-1988状态

发布时间:none

实施时间:none

等长双头螺柱 C级基本信息

标准号:GB 953-1988

标准名称:等长双头螺柱 C级

下载格式:PDF

标准大小:95.24 KB

等长双头螺柱 C级 (GB 953-1988)

声明:资源收集自网络或用户分享,仅供学习参考,使用请以正式版为准;如侵犯您的权益,请联系我们处理。

不能下载?报告错误