当前位置:规范网标准国家标准内容详情

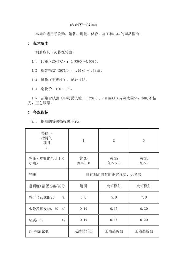
桐油 (GB 8277-1987)

下载
免费下载 GB 8277-1987

桐油 (GB 8277-1987)

标准号GB 8277-1987状态

发布时间:none

实施时间:none

桐油基本信息

标准号:GB 8277-1987

标准名称:桐油

下载格式:PDF

标准大小:108.85 KB

桐油 (GB 8277-1987)

声明:资源收集自网络或用户分享,仅供学习参考,使用请以正式版为准;如侵犯您的权益,请联系我们处理。

不能下载?报告错误