当前位置:规范网标准国家标准内容详情

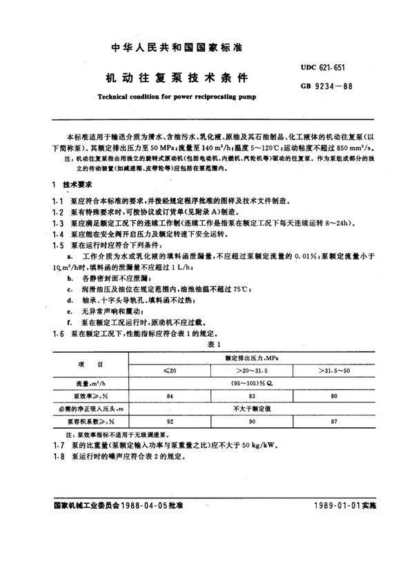
机动往复泵 技术条件 (GB 9234-1988)

下载
免费下载 GB 9234-1988

机动往复泵 技术条件 (GB 9234-1988)

标准号GB 9234-1988状态

发布时间:none

实施时间:none

机动往复泵 技术条件基本信息

标准号:GB 9234-1988

标准名称:机动往复泵 技术条件

下载格式:PDF

标准大小:376.82 KB

机动往复泵 技术条件 (GB 9234-1988)

声明:资源收集自网络或用户分享,仅供学习参考,使用请以正式版为准;如侵犯您的权益,请联系我们处理。

不能下载?报告错误