当前位置:规范网标准国家标准内容详情

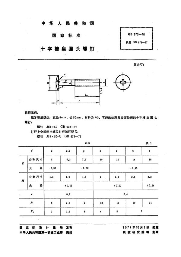
十字槽扁圆头螺钉 (GB 973-1976)

下载
免费下载 GB 973-1976

十字槽扁圆头螺钉 (GB 973-1976)

标准号GB 973-1976状态

发布时间:none

实施时间:none

十字槽扁圆头螺钉基本信息

标准号:GB 973-1976

标准名称:十字槽扁圆头螺钉

下载格式:PDF

标准大小:51.47 KB

十字槽扁圆头螺钉 (GB 973-1976)

声明:资源收集自网络或用户分享,仅供学习参考,使用请以正式版为准;如侵犯您的权益,请联系我们处理。

不能下载?报告错误