当前位置:规范网标准行业标准内容详情

单板铣边机 精度 (LY/T 1459-1999)

下载
免费下载 LY/T 1459-1999

单板铣边机  精度 (LY/T 1459-1999)

标准号LY/T 1459-1999状态

发布于:1999-08-16

实施于:1999-12-01

单板铣边机 精度

标准号:LY/T 1459-1999

中国标准分类号:B97

国际标准分类号:79.120.10

批准发布部门:国家林业局

行业分类:无

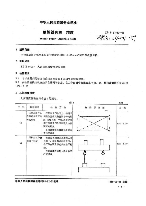
本标准适用于铣削单板最大宽度在2000~2900mm之间的单板铣边机。

声明:资源收集自网络或用户分享,仅供学习参考,使用请以正式版为准;如侵犯您的权益,请联系我们处理。

不能下载?报告错误