当前位置:规范网标准行业标准内容详情

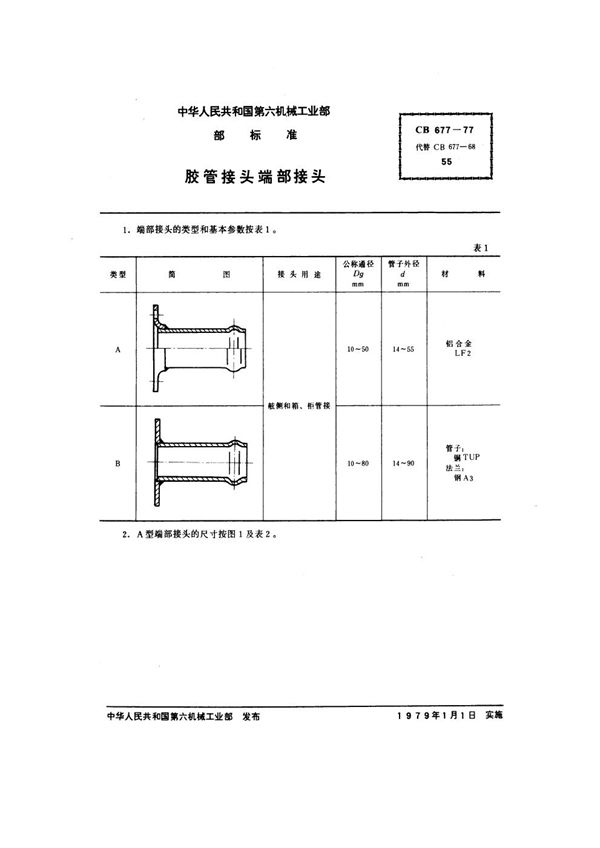
胶管接头端部接头 (CB 677-1977)

下载
免费下载 CB 677-1977

胶管接头端部接头 (CB 677-1977)

标准号CB 677-1977状态

发布于:1977-01-01

实施于:1979-01-01

胶管接头端部接头

标准号:CB 677-1977

中国标准分类号:U55

国际标准分类号:47.020.30

批准发布部门:中国船舶工业集团公司

行业分类:无

声明:资源收集自网络或用户分享,仅供学习参考,使用请以正式版为准;如侵犯您的权益,请联系我们处理。

不能下载?报告错误