当前位置:规范网标准行业标准内容详情

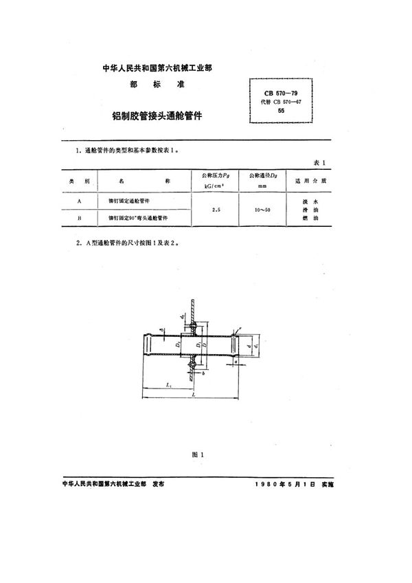
铝制胶管接头通舱管件 (CB 570-1979)

下载
免费下载 CB 570-1979

铝制胶管接头通舱管件 (CB 570-1979)

标准号CB 570-1979状态

发布时间:none

实施时间:none

铝制胶管接头通舱管件基本信息

标准号:CB 570-1979

标准名称:铝制胶管接头通舱管件

下载格式:PDF

标准大小:118.88 KB

铝制胶管接头通舱管件 (CB 570-1979)

声明:资源收集自网络或用户分享,仅供学习参考,使用请以正式版为准;如侵犯您的权益,请联系我们处理。

不能下载?报告错误