当前位置:规范网标准行业标准内容详情

金属吊顶 (QB 1561-1992)

下载
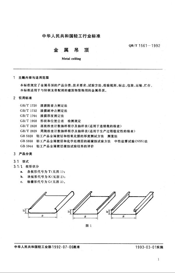
免费下载 QB 1561-1992

金属吊顶 (QB 1561-1992)

标准号QB 1561-1992状态

发布于:1992-07-06

实施于:1993-03-01

金属吊顶

标准号:QB 1561-1992

中国标准分类号:

国际标准分类号:

批准发布部门:轻工业部

行业分类:无

声明:资源收集自网络或用户分享,仅供学习参考,使用请以正式版为准;如侵犯您的权益,请联系我们处理。

不能下载?报告错误