
标准号LS/T 3507-1992状态
发布于:1992-08-14
实施于:1992-12-01
螺旋打包机
标准号:LS/T 3507-1992
中国标准分类号:X91
国际标准分类号:None
批准发布部门:国家粮食局
行业分类:无
胡安炎、魏先海
湖北省大冶粮食机械厂
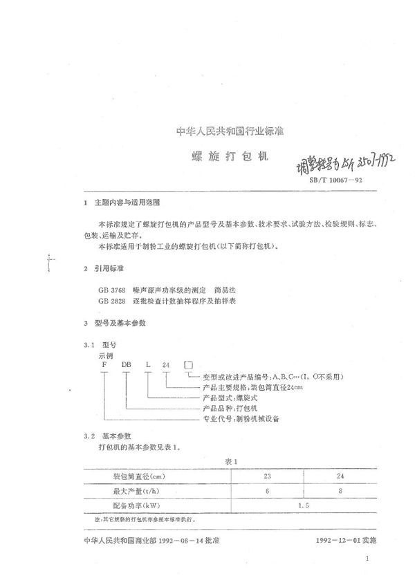
本标准规定了螺旋打包机的产品型号及基本参数、技术要求、试验方法、检验规则、标志、包装、运输及贮存。 本标准适用于制粉工业的螺旋打包机(以下简称打包机)。

发布于:1992-08-14
实施于:1992-12-01
标准号:LS/T 3507-1992
中国标准分类号:X91
国际标准分类号:None
批准发布部门:国家粮食局
行业分类:无
胡安炎、魏先海
湖北省大冶粮食机械厂
本标准规定了螺旋打包机的产品型号及基本参数、技术要求、试验方法、检验规则、标志、包装、运输及贮存。 本标准适用于制粉工业的螺旋打包机(以下简称打包机)。
声明:资源收集自网络或用户分享,仅供学习参考,使用请以正式版为准;如侵犯您的权益,请联系我们处理。
不能下载?报告错误