当前位置:规范网标准行业标准内容详情

虎音锣 (QB/T 2175.2-1995)

下载
免费下载 QB/T 2175.2-1995

虎音锣 (QB/T 2175.2-1995)

标准号QB/T 2175.2-1995状态

发布于:1995-10-24

实施于:1996-01-01

虎音锣

标准号:QB/T 2175.2-1995

中国标准分类号:Y58

国际标准分类号:None

批准发布部门:中国轻工总会

行业分类:无

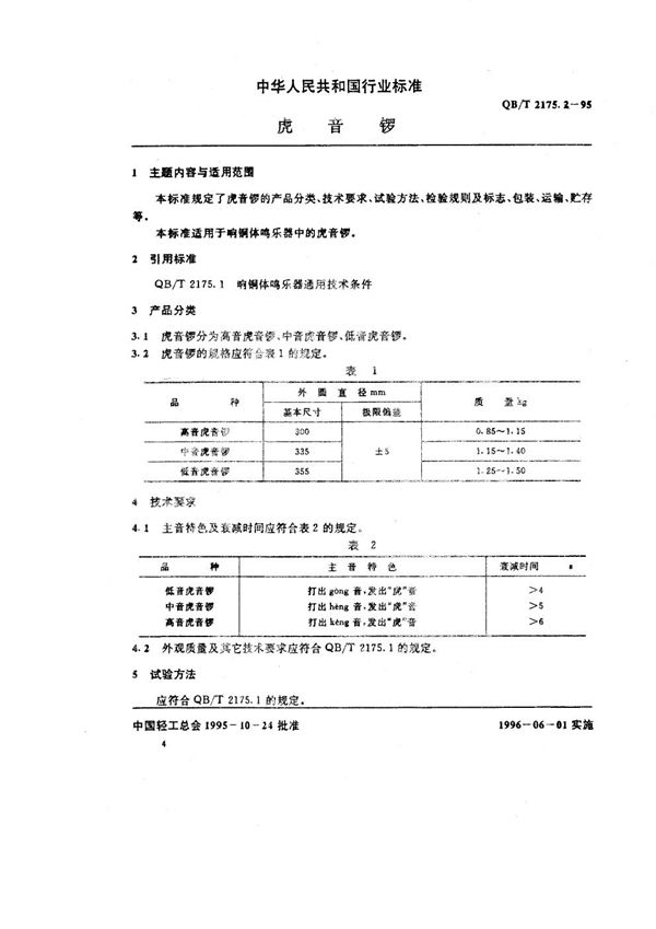
本标准规定了虎音锣的产品分类、技术要求、试验方法、检验规则及标志、包装、运输、贮存等。 本标准适用于响铜体鸣乐器中的虎音锣。

声明:资源收集自网络或用户分享,仅供学习参考,使用请以正式版为准;如侵犯您的权益,请联系我们处理。

不能下载?报告错误