当前位置:首页  标准  行业标准内容详情

单层图钉 (QB/T 1150-1991)

下载

标准号QB/T 1150-1991状态

发布于:1991-06-04

实施于:1992-01-01

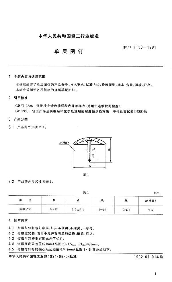
单层图钉

标准号:QB/T 1150-1991

中国标准分类号:Y54

国际标准分类号:None

批准发布部门:轻工业部

行业分类:无

声明:本站为网络服务提供者及网络索引服务平台资源索引自网络/用户分享,如有版权问题,请联系站方删除。

不能下载?报告错误