
标准号JB/T 6060.3-1992状态
发布于:1992-05-05
实施于:1993-07-01
锤及压力机锻模 垫片
标准号:JB/T 6060.3-1992
中国标准分类号:J46
国际标准分类号:25.120.30
批准发布部门:机械工业部
行业分类:无
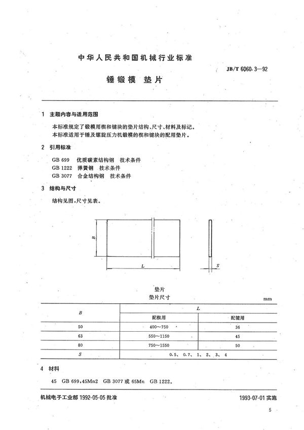
本标准规定了锻模用楔和键块的垫片的结构、尺寸、材料、材料及标记。 本标准适用于锤及螺旋压力机锻模和楔和键块的配用垫片。

发布于:1992-05-05
实施于:1993-07-01
标准号:JB/T 6060.3-1992
中国标准分类号:J46
国际标准分类号:25.120.30
批准发布部门:机械工业部
行业分类:无
本标准规定了锻模用楔和键块的垫片的结构、尺寸、材料、材料及标记。 本标准适用于锤及螺旋压力机锻模和楔和键块的配用垫片。
声明:资源收集自网络或用户分享,仅供学习参考,使用请以正式版为准;如侵犯您的权益,请联系我们处理。
不能下载?报告错误