当前位置:规范网标准行业标准内容详情

胀紧联结套 (JB/ZQ 4193-2006)

下载
免费下载 JB/ZQ 4193-2006

胀紧联结套 (JB/ZQ 4193-2006)

标准号JB/ZQ 4193-2006状态

发布于:

实施于:

胀紧联结套基本信息

标准号:JB/ZQ 4193-2006

标准名称:胀紧联结套

英文名称:Tension coupling bush

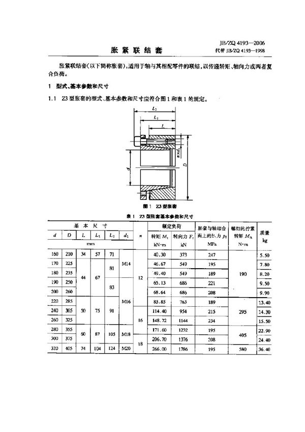
胀紧联结套(以下简称胀套),适用于轴与其相配套的零件的联结,以传递转矩、轴向力或者两者复合负荷。

声明:资源收集自网络或用户分享,仅供学习参考,使用请以正式版为准;如侵犯您的权益,请联系我们处理。

不能下载?报告错误