当前位置:规范网标准行业标准内容详情

大侧间隙梯形螺纹 (JB/ZQ 4308-2006)

下载
免费下载 JB/ZQ 4308-2006

大侧间隙梯形螺纹 (JB/ZQ 4308-2006)

标准号JB/ZQ 4308-2006状态

发布于:

实施于:

大侧间隙梯形螺纹基本信息

标准号:JB/ZQ 4308-2006

标准名称:大侧间隙梯形螺纹

英文名称:Trapezoidal thread with large side clearance

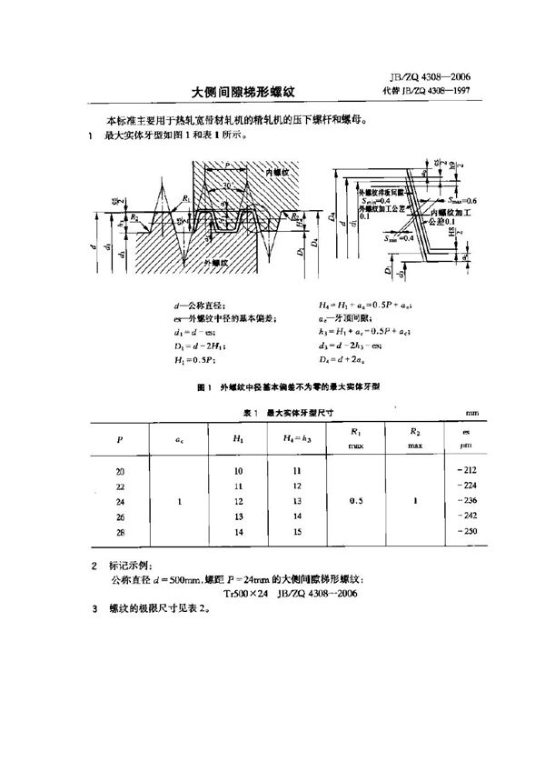
本标准主要用于热轧宽带材轧机的精轧机的压下螺杆和螺母。

声明:资源收集自网络或用户分享,仅供学习参考,使用请以正式版为准;如侵犯您的权益,请联系我们处理。

不能下载?报告错误