当前位置:规范网标准行业标准内容详情

防松螺母 (JB/ZQ 4351-2006)

下载
免费下载 JB/ZQ 4351-2006

防松螺母 (JB/ZQ 4351-2006)

标准号JB/ZQ 4351-2006状态

发布于:

实施于:

防松螺母基本信息

标准号:JB/ZQ 4351-2006

标准名称:防松螺母

英文名称:Lock nuts

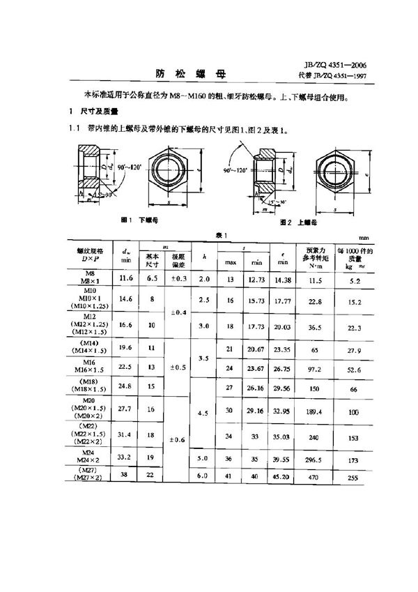
本标准适用于公称直径M8~M160的粗、细牙防松螺母。上下螺母组合使用。

声明:资源收集自网络或用户分享,仅供学习参考,使用请以正式版为准;如侵犯您的权益,请联系我们处理。

不能下载?报告错误