规范网
更新
当前位置:
首页
标准
行业标准
内容详情
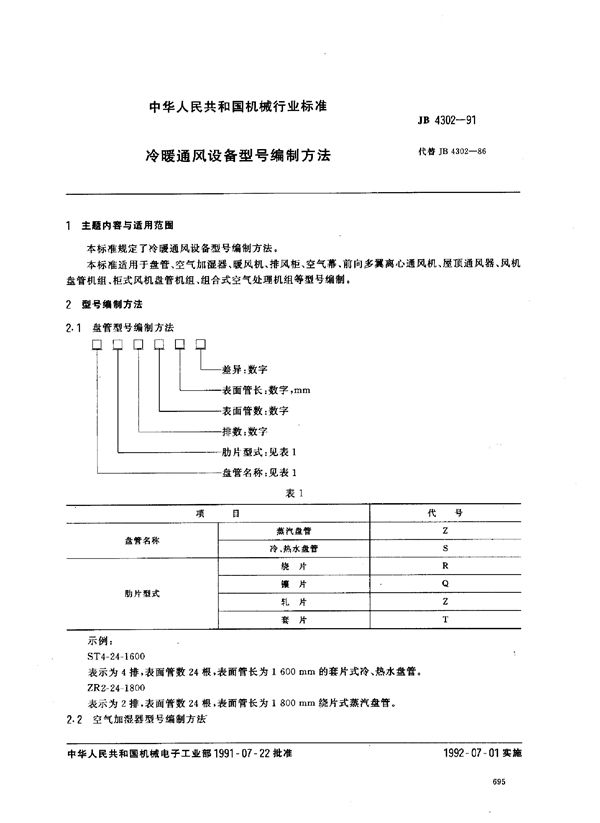
冷暖通风设备 型号编制方法 (JB/T 4302-1991)
下载
帮助
举报
收藏
上传文档
下载
预览图
用户名称:
-229084
注册时间:
2025-06-24
认证方式:
手机认证
标准号JB/T 4302-1991状态
发布于:
实施于:
冷暖通风设备 型号编制方法基本信息
标准号:JB/T 4302-1991
标准名称:冷暖通风设备 型号编制方法
收藏
下载
声明:本站为网络服务提供者及网络索引服务平台资源索引自网络/用户分享,如有版权问题,请
联系
站方删除。
不能下载?报告错误
下页:
安瓿超声波清洗机 (JB/T 20002.2-2004)
相关推荐
冷暖通风设备 型号编制方法 (JB/T 4302-1991)
冷暖通风设备 包装通用技术条件 (JB/T 9065-1999)
冷暖通风设备术语 (JB/T 4303-1995)
冷暖通风设备型号编制方法 (JB 4302-1991)
冷暖通风设备外观质量 (JB/T 7246-1994)