规范网
更新
当前位置:
规范网
标准
行业标准
内容详情
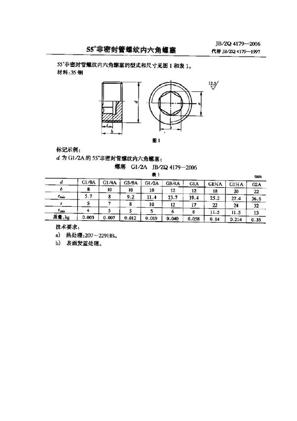
55°非密封管螺纹内六角螺塞 (JB/ZQ 4179-2006)
下载
免费下载 JB/ZQ 4179-2006
标准号JB/ZQ 4179-2006状态
发布于:
实施于:
55°非密封管螺纹内六角螺塞基本信息
标准号:JB/ZQ 4179-2006
标准名称:55°非密封管螺纹内六角螺塞
加入收藏
下载文件
声明:资源收集自网络或用户分享,仅供学习参考,使用请以正式版为准;如侵犯您的权益,请联系我们处理。
不能下载?报告错误
下页:
钻井和采油提升工具 通用技术条件 (JB/T 6925-1993)
相关推荐
55°非密封管螺纹外六角螺塞(PN16) (JB/ZQ 4451-2006)
55°密封管螺纹内六角螺塞(PN10) (JB/ZQ 4446-2006)
55°非密封管螺纹内六角螺塞 (JB/ZQ 4179-2006)
55°圆锥管螺纹丝锥 (JB/T 9996-1996)
55°密封管螺纹量规 (JB/T 10031-2019)