规范网
更新
当前位置:
首页
标准
行业标准
内容详情
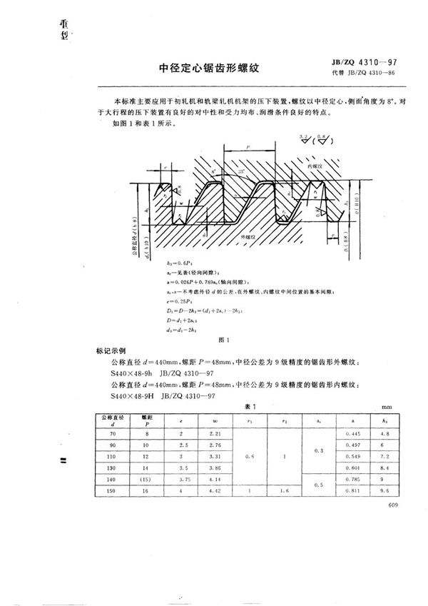
中径定心锯齿形螺纹 (JB/ZQ 4301-1997)
下载
帮助
举报
收藏
上传文档
下载
预览图
用户名称:
石希信
注册时间:
2025-04-02
认证方式:
手机认证
标准号JB/ZQ 4301-1997状态
发布于:
实施于:
中径定心锯齿形螺纹基本信息
标准号:JB/ZQ 4301-1997
标准名称:中径定心锯齿形螺纹
收藏
下载
声明:本站为网络服务提供者及网络索引服务平台资源索引自网络/用户分享,如有版权问题,请
联系
站方删除。
不能下载?报告错误
下页:
单管夹垫板 (JB/ZQ 4499-1997)
相关推荐
中径定心锯齿形螺纹 (JB/ZQ 4301-1997)
中径定心锯齿形螺纹 (JB/ZQ 4310-2006)