规范网
更新
当前位置:
规范网
标准
行业标准
内容详情
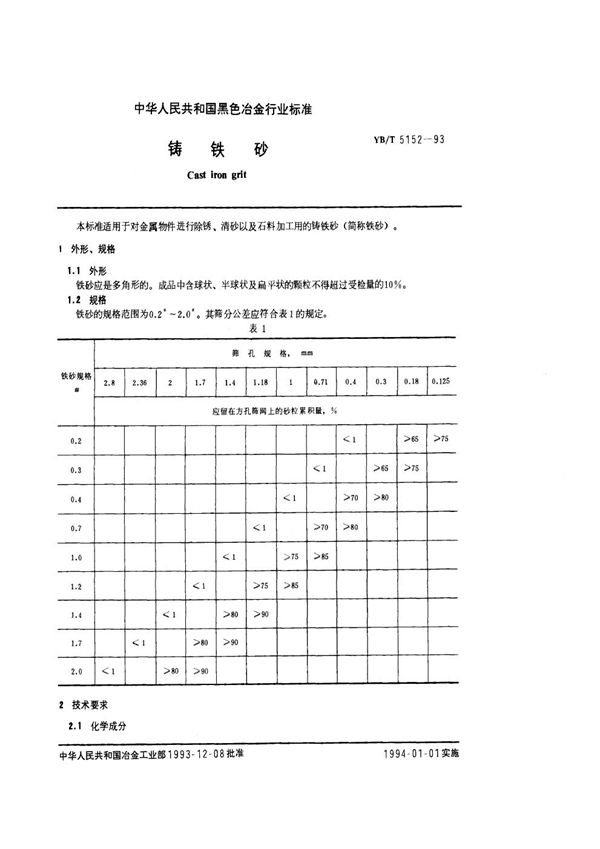
铸铁砂 (YB/T 5152-1993)
下载
免费下载 YB/T 5152-1993
标准号YB/T 5152-1993状态
发布于:
实施于:
铸铁砂基本信息
标准号:YB/T 5152-1993
标准名称:铸铁砂
发布部门:
起草单位:
加入收藏
下载文件
声明:资源收集自网络或用户分享,仅供学习参考,使用请以正式版为准;如侵犯您的权益,请联系我们处理。
不能下载?报告错误
下页:
油淬火-回火碳素弹簧钢丝 (YB/T 5103-1993)
相关推荐
抛喷丸清理及强化用金属磨料 第10部分:铸铁砂 (JB/T 8354.10-2020)
铸铁砂 (YB/T 5152-1993)