规范网
更新
当前位置:
首页
标准
行业标准
内容详情
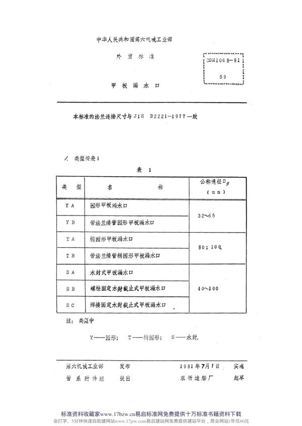
甲板漏水口 (CBM 1068-1981)
下载
帮助
举报
收藏
上传文档
下载
预览图
用户名称:
痴呆呆-测量控制系统开发
注册时间:
2024-07-22
认证方式:
手机认证
标准号CBM 1068-1981状态
发布于:
实施于:
甲板漏水口基本信息
标准号:CBM 1068-1981
标准名称:甲板漏水口
收藏
下载
声明:本站为网络服务提供者及网络索引服务平台资源索引自网络/用户分享,如有版权问题,请
联系
站方删除。
不能下载?报告错误
下页:
5kgf-cm2法兰青铜截止阀 (CBM 1069-1981)
相关推荐
甲板漏水口(四进位) (GB 11695-1989)
甲板漏水口 (CB/T 3885-2004)
甲板漏水口(四进位) (CB/T 3885-1999)
甲板漏水口 (CB/T 3885-2014)
甲板漏水口 (CBM 1068-1981)