规范网
更新
当前位置:
首页
标准
行业标准
内容详情
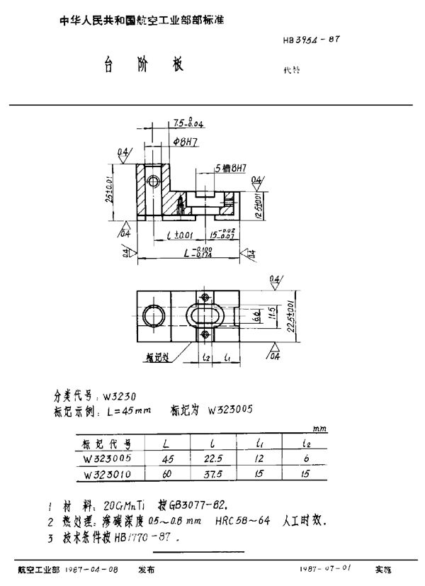
台阶板 (HB 3954-1987)
下载
帮助
举报
收藏
上传文档
下载
预览图
用户名称:
千势
注册时间:
2025-03-24
认证方式:
手机认证
标准号HB 3954-1987状态
发布于:
实施于:
台阶板基本信息
标准号:HB 3954-1987
标准名称:台阶板
收藏
下载
声明:本站为网络服务提供者及网络索引服务平台资源索引自网络/用户分享,如有版权问题,请
联系
站方删除。
不能下载?报告错误
下页:
边孔定位板 (HB 3955-1987)
相关推荐
台阶板 (HB 1553-1987)
台阶板 (HB 3954-1987)