规范网
更新
当前位置:
首页
标准
行业标准
内容详情
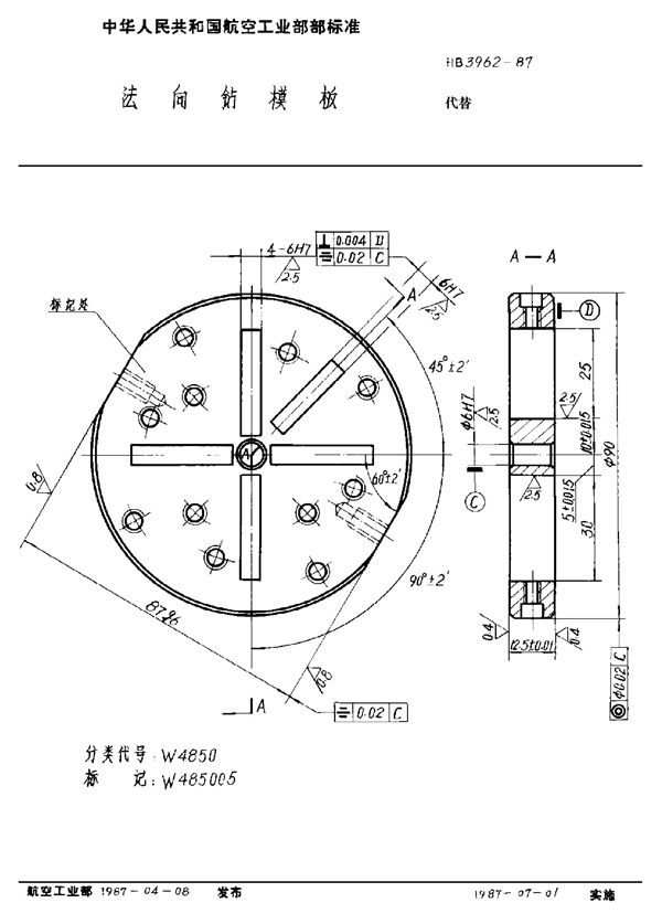
法向钻模板 (HB 3962-1987)
下载
帮助
举报
收藏
上传文档
下载
预览图
用户名称:
-胖胖4824
注册时间:
2025-02-20
认证方式:
手机认证
标准号HB 3962-1987状态
发布于:
实施于:
法向钻模板基本信息
标准号:HB 3962-1987
标准名称:法向钻模板
收藏
下载
声明:本站为网络服务提供者及网络索引服务平台资源索引自网络/用户分享,如有版权问题,请
联系
站方删除。
不能下载?报告错误
下页:
U形压板 (HB 3971-1987)
相关推荐
法向钻模板 (HB 3962-1987)