规范网
更新
当前位置:
规范网
标准
行业标准
内容详情
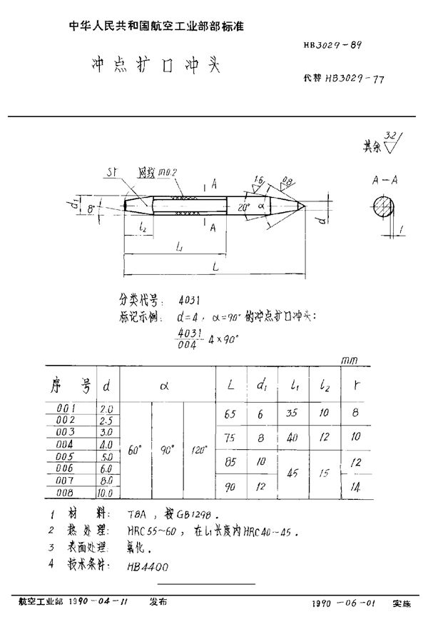
冲点扩口冲头 (HB 3029-1989)
下载
免费下载 HB 3029-1989
标准号HB 3029-1989状态
发布于:
实施于:
冲点扩口冲头基本信息
标准号:HB 3029-1989
标准名称:冲点扩口冲头
加入收藏
下载文件
声明:资源收集自网络或用户分享,仅供学习参考,使用请以正式版为准;如侵犯您的权益,请联系我们处理。
不能下载?报告错误
下页:
单头开口扳手(片状) S=3.2~12 (HB 3039-1989)
相关推荐
冲点扩口冲头 (HB 3029-1989)