规范网
更新
当前位置:
首页
标准
行业标准
内容详情
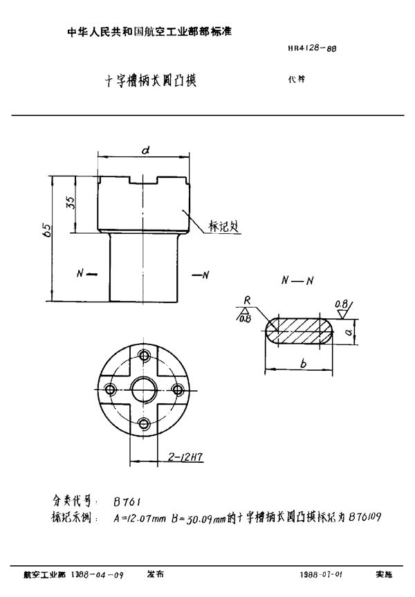
十字槽柄长圆凸模 (HB 4128-1988)
下载
帮助
举报
收藏
上传文档
下载
预览图
用户名称:
Wanyu
注册时间:
2024-01-23
认证方式:
手机认证
标准号HB 4128-1988状态
发布于:
实施于:
十字槽柄长圆凸模基本信息
标准号:HB 4128-1988
标准名称:十字槽柄长圆凸模
收藏
下载
声明:本站为网络服务提供者及网络索引服务平台资源索引自网络/用户分享,如有版权问题,请
联系
站方删除。
不能下载?报告错误
下页:
圆缺口凸模 (HB 4129-1988)
相关推荐
十字槽密封销钉快卸锁 (HB 20343-2016)
不锈钢螺钉垫圈组合件 第1部分:十字槽盘头螺钉、弹簧垫圈和平垫圈 (QJ 20040.1-2011)
不锈钢螺钉垫圈组合件 第2部分:十字槽盘头螺钉和鞍形弹性垫圈 (QJ 20040.2-2011)
不锈钢螺钉垫圈组合件 第3部分:十字槽凹穴六角头螺栓、弹簧垫圈和平垫圈 (QJ 20040.3-2011)
十字槽扁圆头螺钉 (GB 973-1976)