规范网
更新
当前位置:
首页
标准
行业标准
内容详情
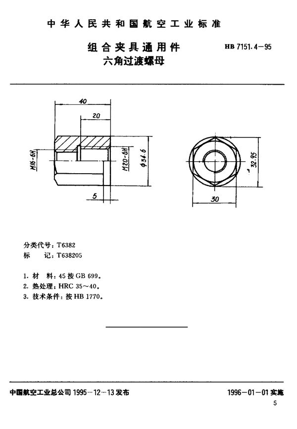
组合夹具通用件 六角过渡螺母 (HB 7151.4-1995)
下载
帮助
举报
收藏
上传文档
下载
预览图
用户名称:
林.
注册时间:
2025-09-30
认证方式:
手机认证
标准号HB 7151.4-1995状态
发布于:
实施于:
组合夹具通用件 六角过渡螺母基本信息
标准号:HB 7151.4-1995
标准名称:组合夹具通用件 六角过渡螺母
收藏
下载
声明:本站为网络服务提供者及网络索引服务平台资源索引自网络/用户分享,如有版权问题,请
联系
站方删除。
不能下载?报告错误
下页:
组合夹具通用件 过渡螺套 (HB 7151.5-1995)
相关推荐
组合夹具元件结构要素 (GB 2804-1981)
小型系列组合夹具类型和规格尺寸 (SJ 2226-1982)
中型系列组合夹具类型和规格尺寸 (SJ 2225-1982)
小型系列组合夹具结构要素 (SJ 2224-1982)
中型系列组合夹具结构要素 (SJ 2223-1982)