规范网
更新
当前位置:
首页
标准
行业标准
内容详情
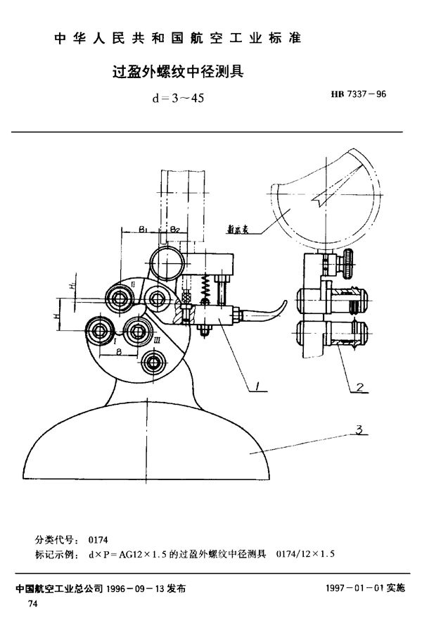
过盈外螺纹中径量具 (HB 7337-1996)
下载
帮助
举报
收藏
上传文档
下载
预览图
用户名称:
庄立贤
注册时间:
2022-05-27
认证方式:
手机认证
标准号HB 7337-1996状态
发布于:
实施于:
过盈外螺纹中径量具基本信息
标准号:HB 7337-1996
标准名称:过盈外螺纹中径量具
收藏
下载
声明:本站为网络服务提供者及网络索引服务平台资源索引自网络/用户分享,如有版权问题,请
联系
站方删除。
不能下载?报告错误
下页:
测量支架 (HB 7338-1996)
相关推荐
过盈外螺纹调整标准件 d=3~6 (HB 7340-1996)
过盈外螺纹调整标准件 d=8~45 (HB 7341-1996)
过盈外螺纹调整标准件应用尺寸 (HB 7342-1996)
过盈外螺纹中径量具 (HB 7337-1996)