规范网
更新
当前位置:
首页
标准
行业标准
内容详情
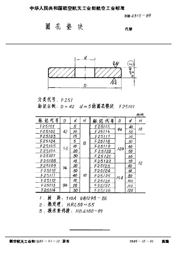
圆孔垫块 (HB 4315-1989)
下载
帮助
举报
收藏
上传文档
下载
预览图
用户名称:
-李建新7291
注册时间:
2025-06-27
认证方式:
手机认证
标准号HB 4315-1989状态
发布于:
实施于:
圆孔垫块基本信息
标准号:HB 4315-1989
标准名称:圆孔垫块
收藏
下载
声明:本站为网络服务提供者及网络索引服务平台资源索引自网络/用户分享,如有版权问题,请
联系
站方删除。
不能下载?报告错误
下页:
长圆孔垫块 (HB 4316-1989)
相关推荐
圆孔垫块 (HB 4315-1989)
长圆孔垫块 (HB 4316-1989)