当前位置:首页  标准  行业标准内容详情

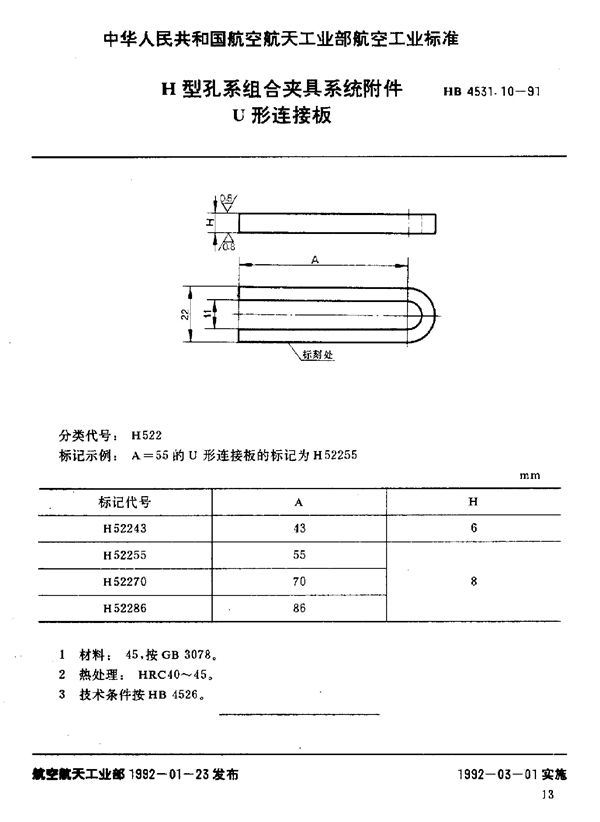
H型孔系组合夹具系统附件 U形连接板 (HB 4531.10-1991)

下载

标准号HB 4531.10-1991状态

发布于:

实施于:

H型孔系组合夹具系统附件 U形连接板基本信息

标准号:HB 4531.10-1991

标准名称:H型孔系组合夹具系统附件 U形连接板

声明:本站为网络服务提供者及网络索引服务平台资源索引自网络/用户分享,如有版权问题,请联系站方删除。

不能下载?报告错误